
鼎力晟业是SKF进口轴承代理商,不仅为工业配套用户提供SKF NF208ECP轴承,在维修市场也提供足够的支持,是SKF轴承在国内的优质经销商之一,购买SKF NF208ECP轴承,鼎力晟业是您放心的选择。
型号:NF208ECP
品牌:SKF
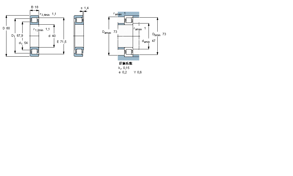
内径:40
外径:80
厚度:18
系列:圆柱滚子轴承, 单列, NF 设计
【
手机版 NF208ECP轴承
点击量
更新日期:2021/12/28
】
电话:020-36026999 传真:020-36705678 服务热线:18924187999 邮箱:sales@gzbearing.cn
| 圆柱滚子轴承, 单列, NF 设计 | ||||||||||||
| 公差 , 参见文字 | ||||||||||||
| 径向内部间隙, 圆柱型内孔 , 圆锥型内孔, 无密封件 , 参见文字 | ||||||||||||
| 推荐配合 | ||||||||||||
| 轴和轴承座公差 | ||||||||||||
|
|
||||||||||||
| 主要数据尺寸 | 基本负荷额定值 | 疲劳负荷限值 | 额定速度 | 体积 | 型号 | 适宜的斜挡圈 | ||||||
| 动态 | 静态 | 参照速度 | 限制速度 | 型号 | ||||||||
| d | D | B | C | C0 | Pu | * - SKF Explorer 轴承 | ||||||
|
|
||||||||||||
| mm | kN | kN | r/min | kg | - | - | ||||||
|
|
||||||||||||
| 40 | 80 | 18 | 62 | 53 | 6,7 | 9500 | 11000 | 0,40 | NF 208 ECP * | - | ||
6001NKE轴承 54414U轴承 SL045008PP轴承 IRB2412轴承 RCJT3/4轴承 313513轴承 BR364828轴承 1301轴承 23256CACK/W33轴承 C3188KMB+OH3188HE轴承 FCJ-30轴承 B11轴承 22216EW33K轴承 C3044轴承 NJ29/710ECMA轴承 HH144642/HH144614轴承 F693轴承 MB14A轴承 NJ2230E轴承 89415轴承