
MB10C轴承是SKF公司同时面向工业配套和维修市场的产品,鼎力晟业同时代理此两项业务,不仅为批量采购的用户提供优惠的SKF MB10C轴承,同时也为零散采购用户提供价格优惠的及时供货服务。
型号:MB10C
品牌:SKF
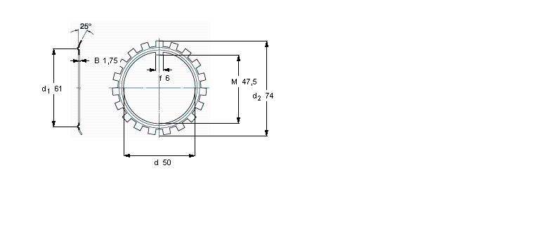
内径:50
外径:74
厚度:1.75
系列:MB(L)锁定垫圈
【
手机版 MB10C轴承
点击量
更新日期:2021/12/28
】
电话:020-36026999 传真:020-36705678 服务热线:18924187999 邮箱:sales@gzbearing.cn
| MB(L)锁定垫圈 | ||||||
|
|
||||||
| 尺寸 | 体积 | 型号 | ||||
| 锁紧垫圈 | 适宜的锁定螺母 | |||||
| d | d2 | B | ||||
|
|
||||||
| mm | kg | - | ||||
|
|
||||||
| 50 | 74 | 1,75 | 0,016 | MB 10 C | KM 10 | |
6311-2Z/VA208轴承 LRTZ283230轴承 1313KTV轴承 BRI162820U轴承 53315U轴承 230/1060CAK/W33+OH30/1060H轴承 23256CACK/W33轴承 53316+U316轴承 EWP210轴承 51124轴承 22207C轴承 7319AC/DT轴承 SL192320-TB轴承 CSXA055轴承 SCH1616轴承 NF408轴承 3211A轴承 C3152轴承 NJ204ECML轴承 23038EW33K+H3038轴承