
鼎力晟业是SKF进口轴承代理,销售SKF KMT16轴承,不仅具备价格优势,而且在供货及时性、供货能力方面具有比较优势,能在最短的时间内为用户提供原装进口的SKF KMT16轴承。
型号:KMT16
品牌:SKF
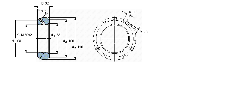
内径:80
外径:100
厚度:32
系列:带锁紧销的KMT精密锁紧定螺母
【
手机版 KMT16轴承
点击量
更新日期:2021/12/28
】
电话:020-36026999 传真:020-36705678 服务热线:18924187999 邮箱:sales@gzbearing.cn
| 带锁紧销的KMT精密锁紧定螺母 | ||||||||||
|
|
||||||||||
| 螺纹尺寸 | 尺寸 | 轴向负荷 | 体积 | 型号 | 平头螺钉 | |||||
| 承载能力 | 锁定螺母 | 适宜的板手 | 尺寸 | 推荐的紧固扭矩 | ||||||
| d3 | B | G | 静态 | |||||||
|
|
||||||||||
| - | mm | - | kN | kg | - | - | - | Nm | ||
|
|
||||||||||
| 80 | 100 | 32 | M 80x2 | 620 | 0,90 | KMT 16 | HN 17 | M 8 | 18 | |