
鼎力晟业是SKF进口轴承代理,销售SKF E2.22209轴承,不仅具备价格优势,而且在供货及时性、供货能力方面具有比较优势,能在最短的时间内为用户提供原装进口的SKF E2.22209轴承。
型号:E2.22209
品牌:SKF
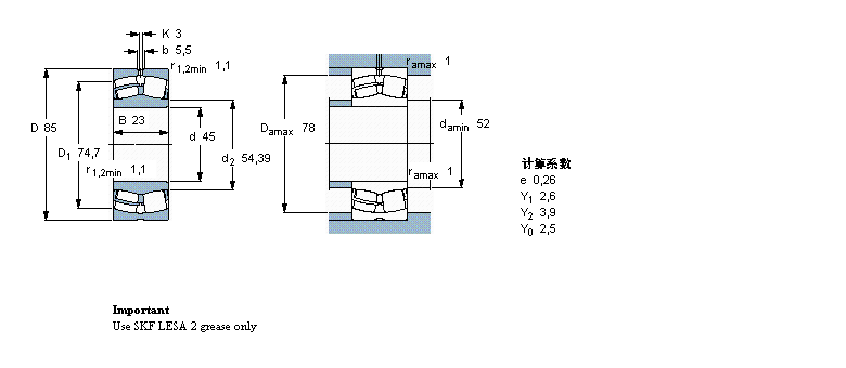
内径:45
外径:85
厚度:23
系列:球面滚子轴承, 圆柱和圆锥孔, SKF Energy Efficient (E2) bearings, 圆柱型内孔
【
手机版 E2.22209轴承
点击量
更新日期:2021/12/28
】
电话:020-36026999 传真:020-36705678 服务热线:18924187999 邮箱:sales@gzbearing.cn
| 球面滚子轴承, 圆柱和圆锥孔, SKF Energy Efficient (E2) bearings, 圆柱型内孔 | ||||||||||
| 公差 , 参见文字 | ||||||||||
| 径向内部游隙, 圆柱型内孔 , 圆锥型内孔, 无密封件 , 参见文字 | ||||||||||
| Important | 推荐配合 | |||||||||
| Use SKF LESA 2 grease only | 轴和轴承座公差 | |||||||||
|
|
||||||||||
| 主要数据尺寸 | 基本负荷额定值 | 疲劳负荷限值 | 额定速度 | 体积 | 型号 | |||||
| 动态 | 静态 | 参照速度 | 限制速度 | |||||||
| d | D | B | C | C0 | Pu | |||||
|
|
||||||||||
| mm | kN | kN | r/min | kg | - | |||||
|
|
||||||||||
| 45 | 85 | 23 | 96,5 | 93 | 9,65 | 11000 | 10000 | 0,58 | E2.22209 | |
F-4520轴承 7934CDT轴承 C3176KMB轴承 GLE20-KRR-B轴承 HR32218J轴承 2209-K-2RS-TVH-C3轴承 6812LU轴承 6017LB轴承 15112/15245轴承 2907轴承 6220NR轴承 K18X24X12轴承 EE170975/171450轴承 23284CAKE4轴承 22192RS轴承 N206ECM轴承 32022-X轴承 NU305-E-TVP2轴承 KL44643-L44610轴承 6324/C3VL2071轴承