
鼎力晟业是SKF进口轴承代理,销售SKF BT2B440397轴承,不仅具备价格优势,而且在供货及时性、供货能力方面具有比较优势,能在最短的时间内为用户提供原装进口的SKF BT2B440397轴承。
型号:BT2B440397
品牌:SKF
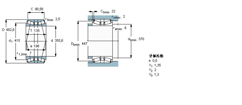
内径:355.6
外径:482.6
厚度:135
系列:圆锥滚子轴承, 单列,背对背配对
【
手机版 BT2B440397轴承
点击量
更新日期:2021/12/28
】
电话:020-36026999 传真:020-36705678 服务热线:18924187999 邮箱:sales@gzbearing.cn
| 圆锥滚子轴承, 单列,背对背配对 | ||||||||||
| 公差 , 参见文字 | ||||||||||
| 轴向内部间隙, 参见文字 | ||||||||||
| 推荐配合 | ||||||||||
| 轴和轴承座公差 | ||||||||||
|
|
||||||||||
| 主要数据尺寸 | 基本负荷额定值 | 疲劳负荷限值 | 额定速度 | 体积 | 型号 | |||||
| 动态 | 静态 | 参照速度 | 限制速度 | |||||||
| d | D | B | C | C0 | Pu | |||||
|
|
||||||||||
| mm | kN | kN | r/min | kg | - | |||||
|
|
||||||||||
| 355,6 | 482,6 | 135 | 968 | 2400 | 196 | 700 | 1300 | 59,7 | BT2B 440397 | |
7034AC轴承 BHAM1312轴承 TR8310845轴承 6219-Z轴承 PCZ1114B轴承 VLU201094轴承 SYFL1.1/4TH轴承 627-RSL轴承 RASEY20-N轴承 51338-MP轴承 SD3092SG轴承 32232-A轴承 6084轴承 H2334轴承 7206B轴承 B7006E轴承 6219Z轴承 IR22X28X20.5轴承 TA1515Z轴承 6317轴承