
鼎力晟业是SKF进口轴承代理,销售SKF BSR-8000轴承,不仅具备价格优势,而且在供货及时性、供货能力方面具有比较优势,能在最短的时间内为用户提供原装进口的SKF BSR-8000轴承。
型号:BSR-8000
品牌:SKF
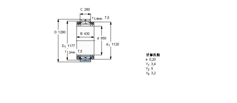
内径:850
外径:1280
厚度:430
系列:球面滚子轴承, 剖分式
【
手机版 BSR-8000轴承
点击量
更新日期:2021/12/28
】
电话:020-36026999 传真:020-36705678 服务热线:18924187999 邮箱:sales@gzbearing.cn
| 球面滚子轴承, 剖分式 | |||||||||
| 公差 , 参见文字 | |||||||||
| 径向内部游隙 , 参见文字 | |||||||||
| 推荐配合, 参见文字 | |||||||||
| 轴和轴承座公差 | |||||||||
|
|
|||||||||
| 主要数据尺寸 | 基本负荷额定值 | 疲劳负荷限值 | 体积 | 型号 | |||||
| 动态 | 静态 | ||||||||
| d | D | B | C | C | C0 | Pu | |||
|
|
|||||||||
| mm | kN | kN | kg | - | |||||
|
|
|||||||||
| 850 | 1280 | 430 | 280 | 10100 | 23200 | 1340 | 1550 | BSR-8000 | |