
BS2B247181轴承是SKF公司同时面向工业配套和维修市场的产品,鼎力晟业同时代理此两项业务,不仅为批量采购的用户提供优惠的SKF BS2B247181轴承,同时也为零散采购用户提供价格优惠的及时供货服务。
型号:BS2B247181
品牌:SKF
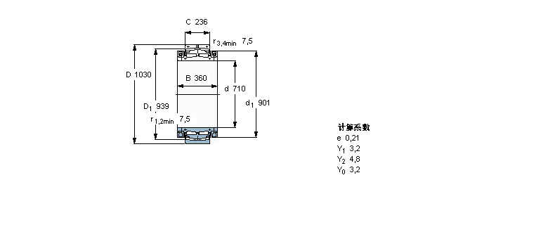
内径:710
外径:1030
厚度:360
系列:球面滚子轴承, 剖分式
【
手机版 BS2B247181轴承
点击量
更新日期:2021/12/28
】
电话:020-36026999 传真:020-36705678 服务热线:18924187999 邮箱:sales@gzbearing.cn
| 球面滚子轴承, 剖分式 | |||||||||
| 公差 , 参见文字 | |||||||||
| 径向内部游隙 , 参见文字 | |||||||||
| 推荐配合, 参见文字 | |||||||||
| 轴和轴承座公差 | |||||||||
|
|
|||||||||
| 主要数据尺寸 | 基本负荷额定值 | 疲劳负荷限值 | 体积 | 型号 | |||||
| 动态 | 静态 | ||||||||
| d | D | B | C | C | C0 | Pu | |||
|
|
|||||||||
| mm | kN | kN | kg | - | |||||
|
|
|||||||||
| 710 | 1030 | 360 | 236 | 7020 | 15600 | 930 | 880 | BS2B 247181 | |
HTA952DB轴承 H913842/H913810轴承 54317U轴承 626-2RZ轴承 TAF-556825轴承 6216轴承 231/500BD1轴承 30326轴承 CRBC12025UU轴承 241/670BK30MB+H241/670轴承 26882/26820轴承 HN1516轴承 7021A5轴承 EC6000ZZ轴承 22244CCK/W33轴承 SC20ES轴承 315196A轴承 7317B/DF轴承 3204B.2RSR.TVH轴承 BEAM017062-2Z轴承