
BS2B243114轴承是SKF公司同时面向工业配套和维修市场的产品,鼎力晟业同时代理此两项业务,不仅为批量采购的用户提供优惠的SKF BS2B243114轴承,同时也为零散采购用户提供价格优惠的及时供货服务。
型号:BS2B243114
品牌:SKF
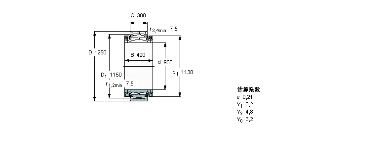
内径:950
外径:1250
厚度:420
系列:球面滚子轴承, 剖分式
【
手机版 BS2B243114轴承
点击量
更新日期:2021/12/28
】
电话:020-36026999 传真:020-36705678 服务热线:18924187999 邮箱:sales@gzbearing.cn
| 球面滚子轴承, 剖分式 | |||||||||
| 公差 , 参见文字 | |||||||||
| 径向内部游隙 , 参见文字 | |||||||||
| 推荐配合, 参见文字 | |||||||||
| 轴和轴承座公差 | |||||||||
|
|
|||||||||
| 主要数据尺寸 | 基本负荷额定值 | 疲劳负荷限值 | 体积 | 型号 | |||||
| 动态 | 静态 | ||||||||
| d | D | B | C | C | C0 | Pu | |||
|
|
|||||||||
| mm | kN | kN | kg | - | |||||
|
|
|||||||||
| 950 | 1250 | 420 | 300 | 8970 | 25500 | 1430 | 1300 | BS2B 243114 | |
7220DB轴承 7221BDF轴承 60/22ZZ轴承 CRH12V轴承 305707C-2Z轴承 N44轴承 71450/71751DC轴承 23140RK+AH3140轴承 BCRB326395/HA1轴承 6214-RS轴承 7030AC/DF轴承 51326-MP轴承 BT4B328838G/HA1VA901轴承 6310-RZ轴承 M241547/M241513XD轴承 81288MPB轴承 231SM300-MA轴承 KMT6轴承 PAKY1-1/2轴承 6212-2Z/VA208轴承