
作为传统的进口轴承代理商,鼎力晟业以广州为基地,全方位展开与SKF公司的合作,为本地SKF BCSB322213CA轴承提供强大的货源支持,并迅速推广到全国各地,经过多年的努力,BCSB322213CA轴承已成为我们的主导产品之一。
型号:BCSB322213CA
品牌:SKF
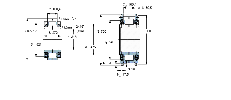
内径:318
外径:622.37
厚度:272
系列:圆柱滚子轴承, 剖分式单列
【
手机版 BCSB322213CA轴承
点击量
更新日期:2021/12/28
】
电话:020-36026999 传真:020-36705678 服务热线:18924187999 邮箱:sales@gzbearing.cn
| 圆柱滚子轴承, 剖分式单列 | |||||||||||
| 公差, 参见文字 | |||||||||||
| 径向内部间隙, 参见文字 | |||||||||||
|
|
|||||||||||
| 主要数据尺寸 | 基本负荷额定值 | 疲劳负荷限值 | 径向内部游隙 | 体积 | 型号 | ||||||
| 动态 | 静态 | ||||||||||
| d | D | B | C | C | C0 | Pu | 最小 | 最大 | |||
|
|
|||||||||||
| mm | kN | kN | mm | kg | - | ||||||
|
|
|||||||||||
| 318 | 622,37 | 272 | 160,4 | 2920 | 4400 | 360 | 0,145 | 0,225 | 515 | BCSB 322213 CA | |