
鼎力晟业是SKF进口轴承代理,销售SKF 629/HR22T2轴承,不仅具备价格优势,而且在供货及时性、供货能力方面具有比较优势,能在最短的时间内为用户提供原装进口的SKF 629/HR22T2轴承。
型号:629/HR22T2
品牌:SKF
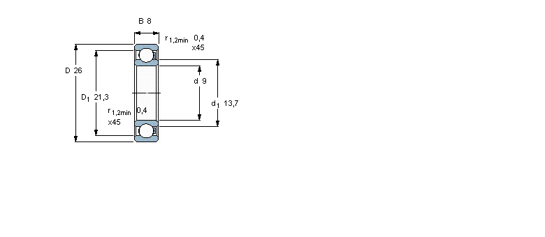
内径:9
外径:26
厚度:8
系列:聚合物球轴承,单列球轴承, PP/PP/stainless steel/PP
【
手机版 629/HR22T2轴承
点击量
更新日期:2021/12/28
】
电话:020-36026999 传真:020-36705678 服务热线:18924187999 邮箱:sales@gzbearing.cn
| 聚合物球轴承,单列球轴承, PP/PP/stainless steel/PP | ||||||||
|
|
||||||||
| 主要数据尺寸 | 负荷能力 | 额定速度 | 体积 | 型号 | ||||
| d | D | B | 动态 1) | 静态 2) | 最大 3) | 最大 | - | |
| 1) above 50 °C and/or above 20 % | 3) Consider load carrying | |||||||
| of max speed rating consider | capability reduction according | |||||||
| reduction according to diagram | to diagram | |||||||
| 2) above 50 °C consider | ||||||||
| reduction according to diagram | ||||||||
|
|
||||||||
| mm | kN | r/min | kg | - | ||||
|
|
||||||||
| 9 | 26 | 8 | 0,07 | 0,055 | 1670 | 0,0052 | 629/HR22T2 | |
HJ2313E轴承 NJ208轴承 GE220CS-2Z轴承 N330-E-M1轴承 NU215ECP轴承 CF5FBUUR轴承 3984/2/3920/2/Q轴承 NUP214EM轴承 3008-B-2RSR-TVH轴承 7316C/DT轴承 6917NR轴承 EE107060/107105轴承 23240B.MB轴承 53406轴承 331527C轴承 ZARF50115-L-TV轴承 NJ313轴承 NJ2232EM+HJ2232E轴承 SL04240-PP轴承 29344E轴承