
购买SKF 33011/QDF03C170轴承,及33011/QDF03C170轴承同系列产品,或者SKF公司其他产品,请联系SKF进口轴承代理-鼎力晟业,我们提供准时高效的服务。
型号:33011/QDF03C170
品牌:SKF
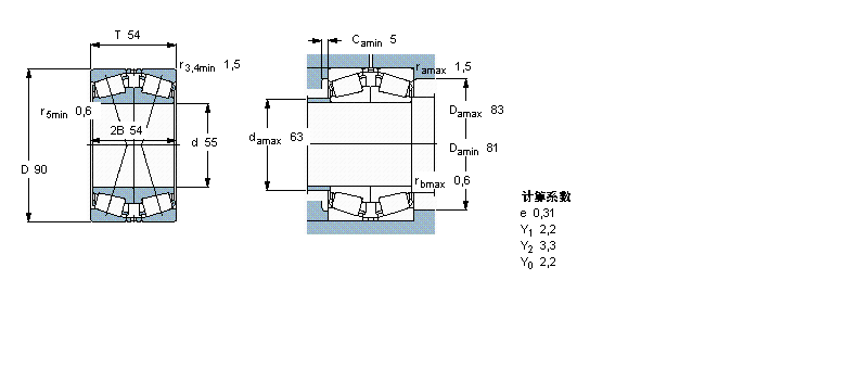
内径:55
外径:90
厚度:54
系列:圆锥滚子轴承, 单列,面对面配对
【
手机版 33011/QDF03C170轴承
点击量
更新日期:2021/12/28
】
电话:020-36026999 传真:020-36705678 服务热线:18924187999 邮箱:sales@gzbearing.cn
| 圆锥滚子轴承, 单列,面对面配对 | ||||||||||
| 公差 , 参见文字 | ||||||||||
| 轴向内部间隙, 参见文字 | ||||||||||
| 推荐配合 | ||||||||||
| 轴和轴承座公差 | ||||||||||
|
|
||||||||||
| 主要数据尺寸 | 基本负荷额定值 | 疲劳负荷限值 | 额定速度 | 体积 | 型号 | |||||
| 动态 | 静态 | 参照速度 | 限制速度 | |||||||
| d | D | T | C | C0 | Pu | * - SKF Explorer 轴承 | ||||
|
|
||||||||||
| mm | kN | kN | r/min | kg | - | |||||
|
|
||||||||||
| 55 | 90 | 54 | 180 | 270 | 30,5 | 4500 | 7000 | 1,35 | 33011/QDF03C170 * | |
53314轴承 NATR25PP轴承 RNA4938轴承 22238B轴承 NUP2205EG轴承 3215B.TVH轴承 PBY30轴承 7301B.UO轴承 KT354026轴承 9062/9195轴承 E-LM767745D/LM767710/LM767710D轴承 24024-2CS5/VT143轴承 NJ2215+HJ2215轴承 6813轴承 GK17-DO轴承 HM30/630轴承 7324-B-TVP轴承 20317-MB轴承 HSB916C轴承 HM88638轴承