
32938/DF轴承是SKF公司同时面向工业配套和维修市场的产品,鼎力晟业同时代理此两项业务,不仅为批量采购的用户提供优惠的SKF 32938/DF轴承,同时也为零散采购用户提供价格优惠的及时供货服务。
型号:32938/DF
品牌:SKF
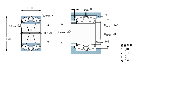
内径:190
外径:260
厚度:90
系列:圆锥滚子轴承, 单列,面对面配对
【
手机版 32938/DF轴承
点击量
更新日期:2021/12/28
】
电话:020-36026999 传真:020-36705678 服务热线:18924187999 邮箱:sales@gzbearing.cn
| 圆锥滚子轴承, 单列,面对面配对 | ||||||||||
| 公差 , 参见文字 | ||||||||||
| 轴向内部间隙, 参见文字 | ||||||||||
| 推荐配合 | ||||||||||
| 轴和轴承座公差 | ||||||||||
|
|
||||||||||
| 主要数据尺寸 | 基本负荷额定值 | 疲劳负荷限值 | 额定速度 | 体积 | 型号 | |||||
| 动态 | 静态 | 参照速度 | 限制速度 | |||||||
| d | D | T | C | C0 | Pu | |||||
|
|
||||||||||
| mm | kN | kN | r/min | kg | - | |||||
|
|
||||||||||
| 190 | 260 | 90 | 616 | 1530 | 143 | 1300 | 2400 | 14,5 | 32938/DF | |
7221C轴承 53309+U309轴承 54414U轴承 RCJTY17轴承 23218-E1-K-TVPB+AHX3218轴承 562005M轴承 6001-Z轴承 LM1820轴承 322/28BJ2/Q轴承 7218C/DB轴承 31313J2/QCL7CDF轴承 TA2616Z轴承 RNA4909轴承 7307BDB轴承 7209B.X轴承 61809-RS轴承 M88048/10轴承 B7205C.T.P4S.UL轴承 23140EW33K轴承 633-Z轴承