
SKF 3203A-2ZTN9/MT33轴承是鼎力晟业长期代理的产品,鼎力晟业与SKF公司具有长期的3203A-2ZTN9/MT33轴承采购计划,可以为国内用户提供足够数量的SKF 3203A-2ZTN9/MT33轴承,让您的工厂无忧运转。
型号:3203A-2ZTN9/MT33
品牌:SKF
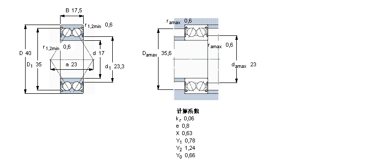
内径:17
外径:40
厚度:17.5
系列:角接触球轴承, 双列, 两面防尘罩
【
手机版 3203A-2ZTN9/MT33轴承
点击量
更新日期:2021/12/28
】
电话:020-36026999 传真:020-36705678 服务热线:18924187999 邮箱:sales@gzbearing.cn
| 角接触球轴承, 双列, 两面防尘罩 | ||||||||||
| 公差 , 参见文字 | ||||||||||
| 轴向内部间隙, a), b), 参见文字 | ||||||||||
| 推荐配合 | ||||||||||
| 轴和轴承座公差 | ||||||||||
|
|
||||||||||
| 主要数据尺寸 | 基本负荷额定值 | 疲劳负荷限值 | 额定速度 | 体积 | 型号 | |||||
| 动态 | 静态 | 参照速度 | 限制速度 | |||||||
| d | D | B | C | C0 | Pu | |||||
|
|
||||||||||
| mm | kN | kN | r/min | kg | - | |||||
|
|
||||||||||
| 17 | 40 | 17,5 | 14,3 | 8,8 | 0,365 | 15000 | 16000 | 0,10 | 3203 A-2ZTN9/MT33 | |
OH39/710H轴承 PAK1-7/16轴承 7011AC轴承 NUP424M轴承 NKX25轴承 KLM11749-LM11710轴承 S6205-2RSR轴承 HC71918-E-T-P4S轴承 FWF-152117轴承 30309JR轴承 EGB3025-E50轴承 NU328E.TVP2轴承 61824-RS轴承 30213-A轴承 N1072轴承 HN4520轴承 24060BD1轴承 7221CDT轴承 N1010轴承 EE640193D/260/261D轴承