
SKF 32034X/DF轴承工业配套用户请注意:批量采购SKF 32034X/DF轴承,请至少提前一周与我们联系,长期批量采购请提供年度采购计划,我们将十分感谢您的预见性,我们将提供极为优惠的价格以保障您的权益。
型号:32034X/DF
品牌:SKF
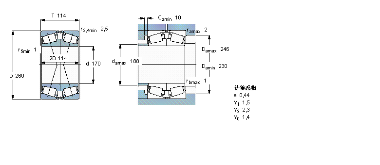
内径:170
外径:260
厚度:114
系列:圆锥滚子轴承, 单列,面对面配对
【
手机版 32034X/DF轴承
点击量
更新日期:2021/12/28
】
电话:020-36026999 传真:020-36705678 服务热线:18924187999 邮箱:sales@gzbearing.cn
| 圆锥滚子轴承, 单列,面对面配对 | ||||||||||
| 公差 , 参见文字 | ||||||||||
| 轴向内部间隙, 参见文字 | ||||||||||
| 推荐配合 | ||||||||||
| 轴和轴承座公差 | ||||||||||
|
|
||||||||||
| 主要数据尺寸 | 基本负荷额定值 | 疲劳负荷限值 | 额定速度 | 体积 | 型号 | |||||
| 动态 | 静态 | 参照速度 | 限制速度 | |||||||
| d | D | T | C | C0 | Pu | |||||
|
|
||||||||||
| mm | kN | kN | r/min | kg | - | |||||
|
|
||||||||||
| 170 | 260 | 114 | 880 | 1830 | 180 | 1400 | 2200 | 22,0 | 32034 X/DF | |
B7006-C-T-P4S轴承 51210轴承 6008-Z轴承 RNAF9011030轴承 6217LLU轴承 53238-MP+U238轴承 6408轴承 KMT4轴承 HJ2213轴承 B71915-C-T-P4S轴承 24152B轴承 7326CDT轴承 31322-X-N11CA轴承 6317-2Z轴承 CSCC045轴承 7226B/DT轴承 85TMP93轴承 ET-32015X轴承 SNL217轴承 60/1060MB轴承