
SKF 31312J2/QDF轴承是鼎力晟业长期代理的产品,鼎力晟业与SKF公司具有长期的31312J2/QDF轴承采购计划,可以为国内用户提供足够数量的SKF 31312J2/QDF轴承,让您的工厂无忧运转。
型号:31312J2/QDF
品牌:SKF
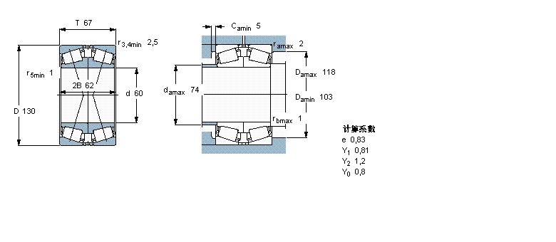
内径:60
外径:130
厚度:67
系列:圆锥滚子轴承, 单列,面对面配对
【
手机版 31312J2/QDF轴承
点击量
更新日期:2021/12/28
】
电话:020-36026999 传真:020-36705678 服务热线:18924187999 邮箱:sales@gzbearing.cn
| 圆锥滚子轴承, 单列,面对面配对 | ||||||||||
| 公差 , 参见文字 | ||||||||||
| 轴向内部间隙, 参见文字 | ||||||||||
| 推荐配合 | ||||||||||
| 轴和轴承座公差 | ||||||||||
|
|
||||||||||
| 主要数据尺寸 | 基本负荷额定值 | 疲劳负荷限值 | 额定速度 | 体积 | 型号 | |||||
| 动态 | 静态 | 参照速度 | 限制速度 | |||||||
| d | D | T | C | C0 | Pu | |||||
|
|
||||||||||
| mm | kN | kN | r/min | kg | - | |||||
|
|
||||||||||
| 60 | 130 | 67 | 246 | 335 | 40,5 | 2800 | 5300 | 4,10 | 31312 J2/QDF | |
AZK751007.5轴承 NUP2306E轴承 NJ2313+HJ2313轴承 NU408轴承 7038AC轴承 71919CDF轴承 NN3019K轴承 30217A+T3EB085轴承 23122-2CS5K/VT143轴承 33108+T2CE040轴承 7313AC轴承 HK2012轴承 NU348-E-M1轴承 7313C/DF轴承 F-803030.PRL轴承 23968CCK/W33+OH3968H轴承 6816VV轴承 NNU4934K轴承 2×7213BECBP轴承 HCB71906-C-2RSD-T-P4S轴承