
作为传统的进口轴承代理商,鼎力晟业以广州为基地,全方位展开与SKF公司的合作,为本地SKF 30228T106J2/DB轴承提供强大的货源支持,并迅速推广到全国各地,经过多年的努力,30228T106J2/DB轴承已成为我们的主导产品之一。
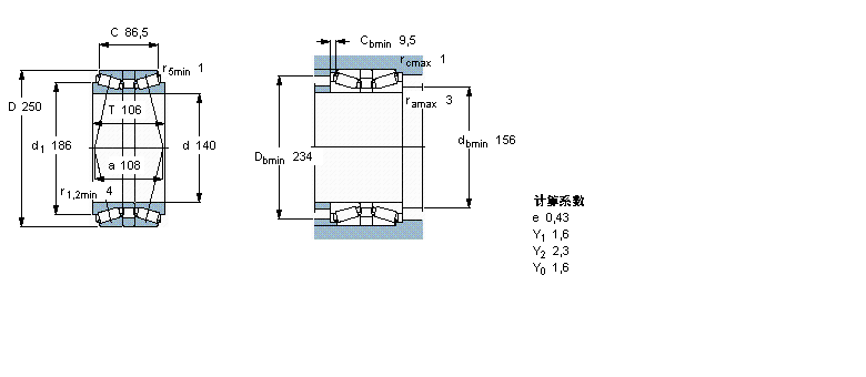
型号:30228T106J2/DB
品牌:SKF
内径:140
外径:250
厚度:106
系列:圆锥滚子轴承, 单列,背对背配对
【
手机版 30228T106J2/DB轴承
点击量
更新日期:2021/12/28
】
电话:020-36026999 传真:020-36705678 服务热线:18924187999 邮箱:sales@gzbearing.cn
| 圆锥滚子轴承, 单列,背对背配对 | ||||||||||
| 公差 , 参见文字 | ||||||||||
| 轴向内部间隙, 参见文字 | ||||||||||
| 推荐配合 | ||||||||||
| 轴和轴承座公差 | ||||||||||
|
|
||||||||||
| 主要数据尺寸 | 基本负荷额定值 | 疲劳负荷限值 | 额定速度 | 体积 | 型号 | |||||
| 动态 | 静态 | 参照速度 | 限制速度 | |||||||
| d | D | B | C | C0 | Pu | |||||
|
|
||||||||||
| mm | kN | kN | r/min | kg | - | |||||
|
|
||||||||||
| 140 | 250 | 106 | 721 | 1140 | 116 | 1500 | 2600 | 19,5 | 30228T106 J2/DB | |
7211B/DB轴承 C30/800KMB+AOH30/800轴承 16036轴承 TLA3516UU轴承 NA6907A轴承 31309DJR轴承 C3156K/HA3C4轴承 6218-2NSL轴承 UKP213;H2313X轴承 HK3020.2RS轴承 31313-A轴承 32948-N11CA-A440-500轴承 24176EW33K30轴承 645轴承 6220LU轴承 6902V轴承 GE60-KRR-B-FA101轴承 6214-2ZN轴承 HCS71901E.T.P4S.UL轴承 7015C/DF轴承