
SKF进口轴承代理鼎力晟业为用户提供高品质的248/1120CAK30FA/W20轴承,无论是工业配套还是维修市场,用户都可以在这里找到货期最短的SKF 248/1120CAK30FA/W20轴承,确保您的不间断生产。
型号:248/1120CAK30FA/W20
品牌:SKF
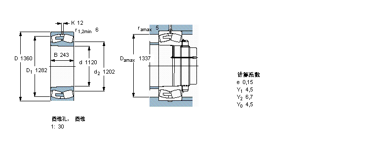
内径:1120
外径:1360
厚度:243
系列:球面滚子轴承, 圆柱和圆锥孔, 圆锥型内孔, 无密封件
【
手机版 248/1120CAK30FA/W20轴承
点击量
更新日期:2021/12/28
】
电话:020-36026999 传真:020-36705678 服务热线:18924187999 邮箱:sales@gzbearing.cn
| 球面滚子轴承, 圆柱和圆锥孔, 圆锥型内孔, 无密封件 | ||||||||||
| 公差 , 参见文字 | ||||||||||
| 径向内部间隙, 圆柱型内孔 , 圆锥型内孔, 无密封件 , 参见文字 | ||||||||||
| 推荐配合 | ||||||||||
| 轴和轴承座公差 | ||||||||||
|
|
||||||||||
| 主要数据尺寸 | 基本负荷额定值 | 疲劳负荷限值 | 额定速度 | 体积 | 型号 | |||||
| 动态 | 静态 | 参照速度 | 限制速度 | |||||||
| d | D | B | C | C0 | Pu | |||||
|
|
||||||||||
| mm | kN | kN | r/min | kg | - | |||||
|
|
||||||||||
| 1120 | 1360 | 243 | 7250 | 24000 | 1400 | 180 | 340 | 720 | 248/1120 CAK30FA/W20 | |
30244JR轴承 7220B.O轴承 HCS7000-C-T-P4S轴承 6001ZR轴承 6313Z轴承 6307ZEN轴承 24036-E1-K30+AH24036轴承 81184轴承 32215T80J2/QDB轴承 NUP217E轴承 230/800EW33K轴承 4T-HH224335/HH224310轴承 RNA4907-RSR轴承 KR32轴承 23148A2XW33K轴承 B7013C轴承 BAM1016轴承 6003LU轴承 M249732/M249710CD轴承 NA4918轴承