
SKF 24156CCK30/W33轴承是鼎力晟业长期代理的产品,鼎力晟业与SKF公司具有长期的24156CCK30/W33轴承采购计划,可以为国内用户提供足够数量的SKF 24156CCK30/W33轴承,让您的工厂无忧运转。
型号:24156CCK30/W33
品牌:SKF
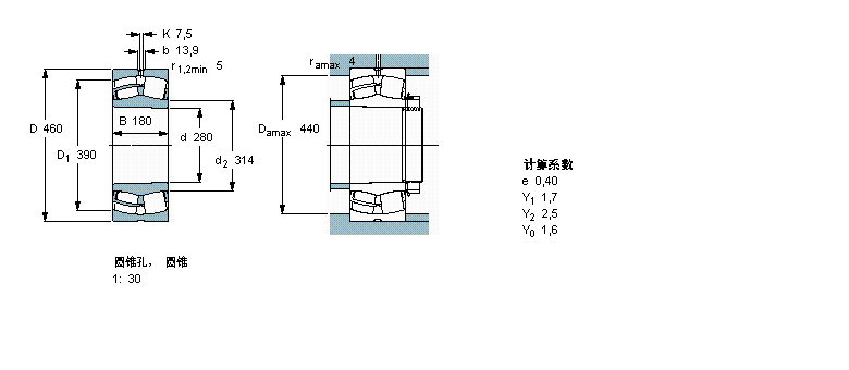
内径:280
外径:460
厚度:180
系列:球面滚子轴承, 圆柱和圆锥孔, 圆锥型内孔, 无密封件
【
手机版 24156CCK30/W33轴承
点击量
更新日期:2021/12/28
】
电话:020-36026999 传真:020-36705678 服务热线:18924187999 邮箱:sales@gzbearing.cn
| 球面滚子轴承, 圆柱和圆锥孔, 圆锥型内孔, 无密封件 | ||||||||||
| 公差 , 参见文字 | ||||||||||
| 径向内部间隙, 圆柱型内孔 , 圆锥型内孔, 无密封件 , 参见文字 | ||||||||||
| 推荐配合 | ||||||||||
| 轴和轴承座公差 | ||||||||||
|
|
||||||||||
| 主要数据尺寸 | 基本负荷额定值 | 疲劳负荷限值 | 额定速度 | 体积 | 型号 | |||||
| 动态 | 静态 | 参照速度 | 限制速度 | |||||||
| d | D | B | C | C0 | Pu | * - SKF Explorer 轴承 | ||||
|
|
||||||||||
| mm | kN | kN | r/min | kg | - | |||||
|
|
||||||||||
| 280 | 460 | 180 | 3100 | 5100 | 415 | 630 | 900 | 120 | 24156 CCK30/W33 * | |
22332CCK/W33H2332轴承 GE30ES轴承 22213ESKTVPBH313轴承 NCS1616轴承 609/530MA轴承 6832VV轴承 2132轴承 QJ314N2MA轴承 B7044C.T.P4S.UL轴承 30222A轴承 24032-2CS5/VT143轴承 NJ424-M1+HJ424轴承 24126-E1轴承 3220轴承 23028EK+H3028轴承 C2318K轴承 7208-B-2RS-TVP轴承 61907-Z轴承 6200-ZN轴承 N032轴承