
鼎力晟业是SKF进口轴承代理商,不仅为工业配套用户提供SKF 240/670ECAK30/W33轴承,在维修市场也提供足够的支持,是SKF轴承在国内的优质经销商之一,购买SKF 240/670ECAK30/W33轴承,鼎力晟业是您放心的选择。
型号:240/670ECAK30/W33
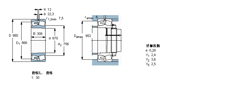
品牌:SKF
内径:670
外径:980
厚度:308
系列:球面滚子轴承, 圆柱和圆锥孔, 圆锥型内孔, 无密封件
【
手机版 240/670ECAK30/W33轴承
点击量
更新日期:2021/12/28
】
电话:020-36026999 传真:020-36705678 服务热线:18924187999 邮箱:sales@gzbearing.cn
| 球面滚子轴承, 圆柱和圆锥孔, 圆锥型内孔, 无密封件 | ||||||||||
| 公差 , 参见文字 | ||||||||||
| 径向内部间隙, 圆柱型内孔 , 圆锥型内孔, 无密封件 , 参见文字 | ||||||||||
| 推荐配合 | ||||||||||
| 轴和轴承座公差 | ||||||||||
|
|
||||||||||
| 主要数据尺寸 | 基本负荷额定值 | 疲劳负荷限值 | 额定速度 | 体积 | 型号 | |||||
| 动态 | 静态 | 参照速度 | 限制速度 | |||||||
| d | D | B | C | C0 | Pu | * - SKF Explorer 轴承 | ||||
|
|
||||||||||
| mm | kN | kN | r/min | kg | - | |||||
|
|
||||||||||
| 670 | 980 | 308 | 10000 | 20400 | 1320 | 300 | 500 | 775 | 240/670 ECAK30/W33 * | |
6217NK轴承 6019-2Z轴承 K81107-TV轴承 618/5轴承 NKS75轴承 53408轴承 N2309轴承 6003.2ZR轴承 6008-2RS轴承 6308/W64轴承 61915-Z轴承 418/414X轴承 51306轴承 VJ-PDNB320轴承 GE50-SW轴承 NX15-Z轴承 55187/55437轴承 618/750轴承 SAW23230轴承 B71936C.T.P4S.UL轴承