
鼎力晟业是SKF进口轴承代理商,不仅为工业配套用户提供SKF 24088ECA/W33轴承,在维修市场也提供足够的支持,是SKF轴承在国内的优质经销商之一,购买SKF 24088ECA/W33轴承,鼎力晟业是您放心的选择。
型号:24088ECA/W33
品牌:SKF
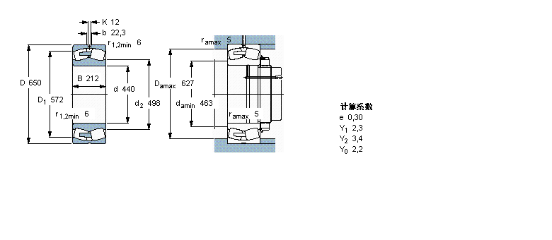
内径:440
外径:650
厚度:212
系列:球面滚子轴承, 圆柱和圆锥孔, 圆柱型内孔, 无密封件
【
手机版 24088ECA/W33轴承
点击量
更新日期:2021/12/28
】
电话:020-36026999 传真:020-36705678 服务热线:18924187999 邮箱:sales@gzbearing.cn
| 球面滚子轴承, 圆柱和圆锥孔, 圆柱型内孔, 无密封件 | ||||||||||
| 公差 , 参见文字 | ||||||||||
| 径向内部间隙, 圆柱型内孔 , 圆锥型内孔, 无密封件 , 参见文字 | ||||||||||
| 推荐配合 | ||||||||||
| 轴和轴承座公差 | ||||||||||
|
|
||||||||||
| 主要数据尺寸 | 基本负荷额定值 | 疲劳负荷限值 | 额定速度 | 体积 | 型号 | |||||
| 动态 | 静态 | 参照速度 | 限制速度 | |||||||
| d | D | B | C | C0 | Pu | * - SKF Explorer 轴承 | ||||
|
|
||||||||||
| mm | kN | kN | r/min | kg | - | |||||
|
|
||||||||||
| 440 | 650 | 212 | 4800 | 9150 | 630 | 500 | 850 | 245 | 24088 ECA/W33 * | |
22226EAE4轴承 23192-K-MB+H3192轴承 S6306轴承 HCB7204-C-2RSD-T-P4S轴承 51318轴承 SNL30/530GF轴承 3200A-2ZTN9/MT33轴承 6302DU轴承 NJ214-E-TVP2轴承 61822N轴承 TAL2512轴承 6313DD轴承 LM522546/LM522510D轴承 B7012-C-T-P4S轴承 665轴承 608V轴承 NJ213E轴承 7021DT轴承 6318-2RSR轴承 6217ZZ轴承