
SKF 239/670CA/W33轴承是鼎力晟业长期代理的产品,鼎力晟业与SKF公司具有长期的239/670CA/W33轴承采购计划,可以为国内用户提供足够数量的SKF 239/670CA/W33轴承,让您的工厂无忧运转。
型号:239/670CA/W33
品牌:SKF
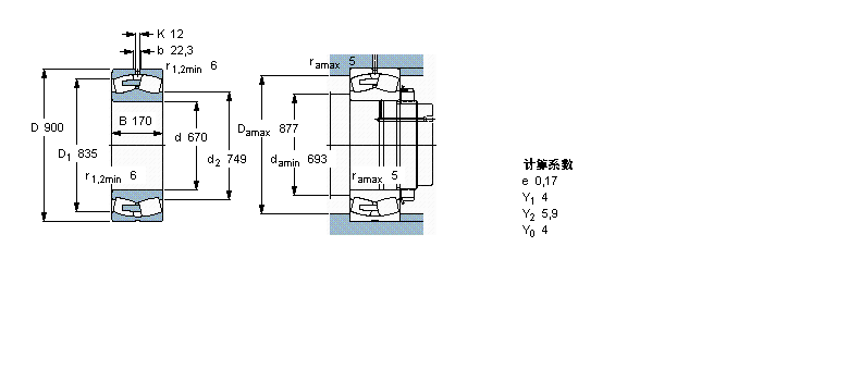
内径:670
外径:900
厚度:170
系列:球面滚子轴承, 圆柱和圆锥孔, 圆柱型内孔, 无密封件
【
手机版 239/670CA/W33轴承
点击量
更新日期:2021/12/28
】
电话:020-36026999 传真:020-36705678 服务热线:18924187999 邮箱:sales@gzbearing.cn
| 球面滚子轴承, 圆柱和圆锥孔, 圆柱型内孔, 无密封件 | ||||||||||
| 公差 , 参见文字 | ||||||||||
| 径向内部间隙, 圆柱型内孔 , 圆锥型内孔, 无密封件 , 参见文字 | ||||||||||
| 推荐配合 | ||||||||||
| 轴和轴承座公差 | ||||||||||
|
|
||||||||||
| 主要数据尺寸 | 基本负荷额定值 | 疲劳负荷限值 | 额定速度 | 体积 | 型号 | |||||
| 动态 | 静态 | 参照速度 | 限制速度 | |||||||
| d | D | B | C | C0 | Pu | * - SKF Explorer 轴承 | ||||
|
|
||||||||||
| mm | kN | kN | r/min | kg | - | |||||
|
|
||||||||||
| 670 | 900 | 170 | 5000 | 10800 | 695 | 360 | 670 | 315 | 239/670 CA/W33 * | |
61913-ZN轴承 71938C/DB轴承 6013ZR轴承 61914-2RZ轴承 6319-RS轴承 22326-2CS5/VT143轴承 21306CDE4轴承 51338-MP轴承 NJ2234E轴承 7210C/DT轴承 6211轴承 CSED050轴承 24144BK30轴承 NJ2307+HJ2307轴承 71924ACE/P4A轴承 22217-E1-K+AHX317轴承 51120轴承 PCJY1-1/4轴承 7202BDT轴承 BK2816轴承