
SKF进口轴承代理鼎力晟业为用户提供高品质的23140CCK/W33+H3140轴承,无论是工业配套还是维修市场,用户都可以在这里找到货期最短的SKF 23140CCK/W33+H3140轴承,确保您的不间断生产。
型号:23140CCK/W33+H3140
品牌:SKF
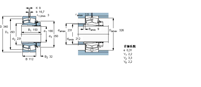
内径:180
外径:340
厚度:112
系列:球面滚子轴承, 带紧定套的
【
手机版 23140CCK/W33+H3140轴承
点击量
更新日期:2021/12/28
】
电话:020-36026999 传真:020-36705678 服务热线:18924187999 邮箱:sales@gzbearing.cn
| 球面滚子轴承, 带紧定套的 | ||||||||||
| 公差 , 参见文字 | ||||||||||
| 径向内部游隙 , 参见文字 | ||||||||||
| 推荐配合 | ||||||||||
| 轴和轴承座公差 | ||||||||||
|
|
||||||||||
| 主要数据尺寸 | 基本负荷额定值 | 疲劳负荷限值 | 额定速度 | 体积 | 型号 | |||||
| 动态 | 静态 | 参照速度 | 限制速度 | 轴承 + 紧定套 | ||||||
| d1 | D | B | C | C0 | Pu | |||||
| * - SKF Explorer 轴承 | ||||||||||
|
|
||||||||||
| mm | kN | kN | r/min | kg | - | |||||
|
|
||||||||||
| 180 | 340 | 112 | 1600 | 2360 | 204 | 1500 | 1900 | 55,5 | 23140 CCK/W33 + H 3140 * | |
HCB7018-C-2RSD-T-P4S轴承 PCJ1/2轴承 NJ252轴承 23238BKD1+H2338轴承 61803-RS轴承 61801-2RS1轴承 NF234轴承 234420M.SP轴承 6209轴承 NJ2205+HJ2205轴承 7301AC/DB轴承 24126AX轴承 2×7230BCBM轴承 LR5204-2Z轴承 23226CCK/W33+H2326轴承 D16轴承 NNF5018ADA-2LSV轴承 2092轴承 NJ205E轴承 HCS7021E.T.P4S.UL轴承