
鼎力晟业是SKF进口轴承代理,销售SKF 2303轴承,不仅具备价格优势,而且在供货及时性、供货能力方面具有比较优势,能在最短的时间内为用户提供原装进口的SKF 2303轴承。
型号:2303
品牌:SKF
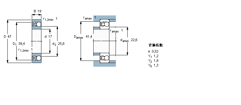
内径:17
外径:47
厚度:19
系列:自调心球轴承, 圆柱孔和圆锥孔, 圆柱型内孔, 无密封件
【
手机版 2303轴承
点击量
更新日期:2021/12/28
】
电话:020-36026999 传真:020-36705678 服务热线:18924187999 邮箱:sales@gzbearing.cn
| 自调心球轴承, 圆柱孔和圆锥孔, 圆柱型内孔, 无密封件 | ||||||||||
| 公差 , 参见文字 | ||||||||||
| 径向内部游隙 , 参见文字 | ||||||||||
| 推荐配合 | ||||||||||
| 轴和轴承座公差 | ||||||||||
|
|
||||||||||
| 主要数据尺寸 | 基本负荷额定值 | 疲劳负荷限值 | 额定速度 | 体积 | 型号 | |||||
| 动态 | 静态 | 参照速度 | 限制速度 | |||||||
| d | D | B | C | C0 | Pu | |||||
|
|
||||||||||
| mm | kN | kN | r/min | kg | - | |||||
|
|
||||||||||
| 17 | 47 | 19 | 14,6 | 3,55 | 0,19 | 30000 | 22000 | 0,16 | 2303 | |
6013N轴承 6300ZEN轴承 54305U轴承 2214.2RS.TV轴承 E30212J轴承 22334B轴承 K30×35×27轴承 22317-E1-K+H2317轴承 NJ314轴承 HJ226轴承 3215轴承 NA4902轴承 TAL2012轴承 07100SA轴承 NK15/16轴承 22319RHRK+AHX2319轴承 SD3076SG轴承 NJ2316+HJ2316轴承 152FC108787D轴承 7011AC/DF轴承