
SKF进口轴承代理鼎力晟业为用户提供高品质的W635-2Z轴承,无论是工业配套还是维修市场,用户都可以在这里找到货期最短的SKF W635-2Z轴承,确保您的不间断生产。
型号:W635-2Z
品牌:SKF
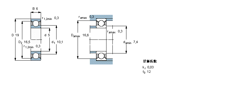
内径:5
外径:19
厚度:6
系列:深沟球轴承, 单列,不锈钢, 两面防尘罩
【
手机版 W635-2Z轴承
点击量
更新日期:2021/12/28
】
电话:020-36026999 传真:020-36705678 服务热线:18924187999 邮箱:sales@gzbearing.cn
| 深沟球轴承, 单列,不锈钢, 两面防尘罩 | ||||||||||
| 公差 , 参见文字 | ||||||||||
| 径向内部游隙 , 参见文字 | ||||||||||
| 推荐配合 | ||||||||||
| 轴和轴承座公差 | ||||||||||
|
|
||||||||||
| 主要数据尺寸 | 基本负荷额定值 | 疲劳负荷限值 | 额定速度 | 体积 | 型号 | |||||
| 动态 | 静态 | 参照速度 | 限制速度 | |||||||
| d | D | B | C | C0 | Pu | |||||
|
|
||||||||||
| mm | kN | kN | r/min | kg | - | |||||
|
|
||||||||||
| 5 | 19 | 6 | 1,86 | 0,915 | 0,04 | 80000 | 40000 | 0,009 | W 635-2Z | |