
SKF W61902-2Z轴承是鼎力晟业长期代理的产品,鼎力晟业与SKF公司具有长期的W61902-2Z轴承采购计划,可以为国内用户提供足够数量的SKF W61902-2Z轴承,让您的工厂无忧运转。
型号:W61902-2Z
品牌:SKF
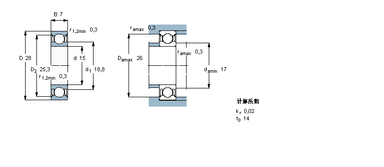
内径:15
外径:28
厚度:7
系列:深沟球轴承, 单列,不锈钢, 两面防尘罩
【
手机版 W61902-2Z轴承
点击量
更新日期:2021/12/28
】
电话:020-36026999 传真:020-36705678 服务热线:18924187999 邮箱:sales@gzbearing.cn
| 深沟球轴承, 单列,不锈钢, 两面防尘罩 | ||||||||||
| 公差 , 参见文字 | ||||||||||
| 径向内部游隙 , 参见文字 | ||||||||||
| 推荐配合 | ||||||||||
| 轴和轴承座公差 | ||||||||||
|
|
||||||||||
| 主要数据尺寸 | 基本负荷额定值 | 疲劳负荷限值 | 额定速度 | 体积 | 型号 | |||||
| 动态 | 静态 | 参照速度 | 限制速度 | |||||||
| d | D | B | C | C0 | Pu | |||||
|
|
||||||||||
| mm | kN | kN | r/min | kg | - | |||||
|
|
||||||||||
| 15 | 28 | 7 | 3,64 | 2,16 | 0,095 | 56000 | 28000 | 0,019 | W 61902-2Z | |
NA4908UU轴承 6905-2NKE轴承 HR65KBE1202+L轴承 NU2207E.TVP2轴承 NU2248-EX-M1轴承 BT4B334081/HA4轴承 SM6G-AJ轴承 NU315-E-TVP2轴承 RAY25轴承 54406轴承 7906CDT轴承 SG524轴承 GE260-UK-2RS轴承 1310K.TV.C3轴承 N2307E轴承 60/560N1MAS轴承 F-803044.PRL轴承 HJ2314E轴承 BA2012Z轴承 HJ2230E轴承