
购买SKF SYNT80L轴承,及SYNT80L轴承同系列产品,或者SKF公司其他产品,请联系SKF进口轴承代理-鼎力晟业,我们提供准时高效的服务。
型号:SYNT80L
品牌:SKF
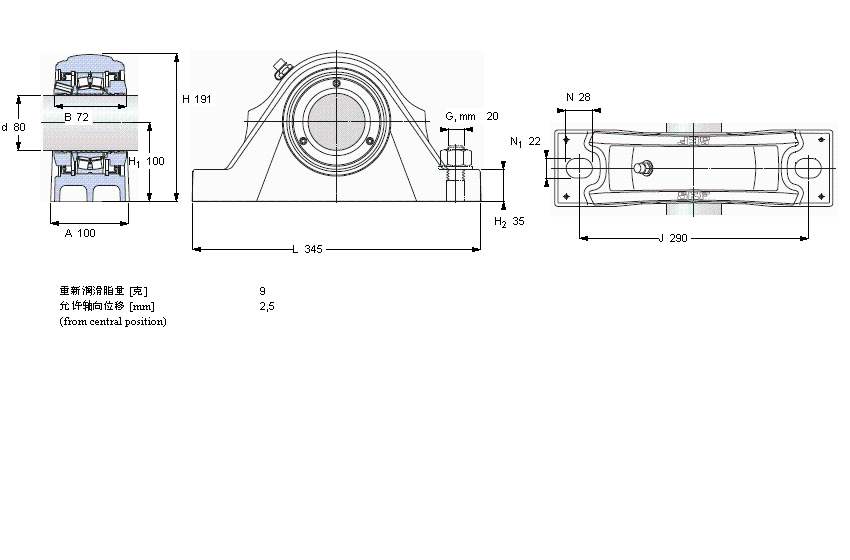
系列:滚子轴承立式轴承座单元, SKF ConCentra, non-locating units, double-lip seals
【
手机版 SYNT80L轴承
点击量
更新日期:2021/12/28
】
电话:020-36026999 传真:020-36705678 服务热线:18924187999 邮箱:sales@gzbearing.cn
| 滚子轴承立式轴承座单元, SKF ConCentra, non-locating units, double-lip seals | ||||||||||||
|
|
||||||||||||
| 尺寸 | 尺寸 [英寸] | 疲劳负荷限值 | 限制速度 | 体积 | 型号 | 轴承,基本型号 | ||||||
| 动态 | 静态 | |||||||||||
| da | A | H | H1 | L | C | C0 | Pu | |||||
|
|
||||||||||||
| mm | kN | kN | r/min | kg | - | - | ||||||
|
|
||||||||||||
| 80 | 100 | 191 | 100 | 345 | 236 | 270 | 29 | 2300 | 20 | SYNT 80 L | 22216 E | |
ZARF75185-TV轴承 7203-B-2RS-TVP轴承 6332轴承 6216-RZ轴承 7024ADF轴承 7311BDB轴承 6006.2RSR轴承 6010ZZN轴承 GE220ES轴承 93787/93125轴承 22205EX轴承 120TAC20D+L轴承 LM29710轴承 71906C轴承 7324DF轴承 7303B/DT轴承 6306ZR轴承 7002AC/DB轴承 BHAM3316轴承 3982/3925轴承