
购买SKF SYNT100F轴承,及SYNT100F轴承同系列产品,或者SKF公司其他产品,请联系SKF进口轴承代理-鼎力晟业,我们提供准时高效的服务。
型号:SYNT100F
品牌:SKF
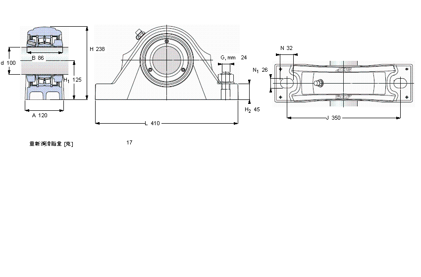
系列:滚子轴承立式轴承座单元, SKF ConCentra, locating units, general conditions (double-lip seals)
【
手机版 SYNT100F轴承
点击量
更新日期:2021/12/28
】
电话:020-36026999 传真:020-36705678 服务热线:18924187999 邮箱:sales@gzbearing.cn
| 滚子轴承立式轴承座单元, SKF ConCentra, locating units, general conditions (double-lip seals) | ||||||||||||
|
|
||||||||||||
| 尺寸 | 尺寸 [英寸] | 疲劳负荷限值 | 限制速度 | 体积 | 型号 | 轴承,基本型号 | ||||||
| 动态 | 静态 | |||||||||||
| da | A | H | H1 | L | C | C0 | Pu | |||||
|
|
||||||||||||
| mm | kN | kN | r/min | kg | - | - | ||||||
|
|
||||||||||||
| 100 | 120 | 238 | 125 | 410 | 425 | 490 | 49 | 2000 | 26 | SYNT 100 F | 22220 E | |
60/22-2RS轴承 TAF253316轴承 HN1412轴承 NJ308E+HJ308E轴承 B7015-C-T-P4S轴承 22252RK+H3152轴承 SCE2416轴承 232/530CAK/W33+OH32/530H轴承 B7013C轴承 NJ2240+HJ2240轴承 RAE25-NPP-NR轴承 TSHE30-N轴承 23132-2CS5/VT143轴承 CFE10-1UUR轴承 6311-2RS1/HC5C3WT轴承 6910BLU轴承 NUTR45100轴承 47T644633轴承 231/560-MB轴承 6012-2RSR轴承