
购买SKF SAL25ES轴承,及SAL25ES轴承同系列产品,或者SKF公司其他产品,请联系SKF进口轴承代理-鼎力晟业,我们提供准时高效的服务。
型号:SAL25ES
品牌:SKF
系列:需要维护的杆端, 钢对钢,阳螺纹
【
手机版 SAL25ES轴承
点击量
更新日期:2021/12/28
】
电话:020-36026999 传真:020-36705678 服务热线:18924187999 邮箱:sales@gzbearing.cn
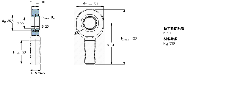
| 需要维护的杆端, 钢对钢,阳螺纹 | |||||||||||
| 公差 , 参见文字 | |||||||||||
| 径向内部游隙 , 参见文字 | |||||||||||
|
|
|||||||||||
| 主要数据尺寸 | 角度倾的 | 基本负荷额定值 | 质量 | 型号 | |||||||
| 动态 | 静态 | 杆端带右或左旋螺纹 | |||||||||
| d | d2 | B | d3 | C1 | h | ± | C | C0 | |||
| 6g | |||||||||||
|
|
|||||||||||
| mm | 度数 | kN | kg | - | |||||||
|
|
|||||||||||
| 25 | 65 | 20 | M 24x2 | 18 | 94 | 7 | 48 | 78 | 0,53 | SAL 25 ES | |
NJ205+HJ205轴承 22317-E1-T41D轴承 PME55轴承 7338B/DB轴承 AH3068轴承 29414-E1轴承 PWTR2562.2RS轴承 HM30/800轴承 NCF18/850V轴承 3304A-Z轴承 6008-2RZ轴承 24128EW33轴承 AS0821轴承 NART40VUUR轴承 24024CCK30/W33轴承 NA4844轴承 LR5307-2RS轴承 745/742轴承 NJ319ECJ轴承 NN3014K轴承