
购买SKF SAA80ES-2RS轴承,及SAA80ES-2RS轴承同系列产品,或者SKF公司其他产品,请联系SKF进口轴承代理-鼎力晟业,我们提供准时高效的服务。
型号:SAA80ES-2RS
品牌:SKF
系列:需要维护的杆端, 钢对钢,阳螺纹, 两面密封件
【
手机版 SAA80ES-2RS轴承
点击量
更新日期:2021/12/28
】
电话:020-36026999 传真:020-36705678 服务热线:18924187999 邮箱:sales@gzbearing.cn
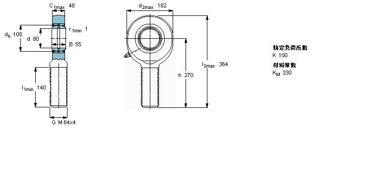
| 需要维护的杆端, 钢对钢,阳螺纹, 两面密封件 | |||||||||||
| 公差 , 参见文字 | |||||||||||
| 径向内部游隙 , 参见文字 | |||||||||||
|
|
|||||||||||
| 主要数据尺寸 | 角度倾的 | 基本负荷额定值 | 质量 | 型号 | |||||||
| 动态 | 静态 | 杆端带右或左旋螺纹 | |||||||||
| d | d2 | B | d3 | C1 | h | ± | C | C0 | |||
| 6g | |||||||||||
|
|
|||||||||||
| mm | 度数 | kN | kg | - | |||||||
|
|
|||||||||||
| 80 | 182 | 55 | M 64x4 | 48 | 270 | 5 | 400 | 585 | 12,0 | SAA 80 ES-2RS | |