
SKF进口轴承代理鼎力晟业为用户提供高品质的OH32/850H轴承,无论是工业配套还是维修市场,用户都可以在这里找到货期最短的SKF OH32/850H轴承,确保您的不间断生产。
型号:OH32/850H
品牌:SKF
系列:紧定套
【
手机版 OH32/850H轴承
点击量
更新日期:2021/12/28
】
电话:020-36026999 传真:020-36705678 服务热线:18924187999 邮箱:sales@gzbearing.cn
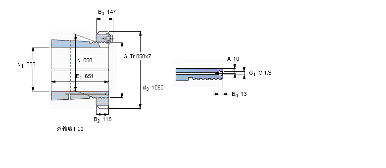
| 紧定套 | ||||||||||
|
|
||||||||||
| 尺寸 | 体积 | 型号 | ||||||||
| 紧定轴套带螺母 | 锁定螺母 | 锁定装置 | 适宜的液压 | |||||||
| d1 | d | d3 | B1 | G | 和锁紧装置 | 螺母 | ||||
|
|
||||||||||
| mm | kg | - | ||||||||
|
|
||||||||||
| 800 | 850 | 1060 | 651 | Tr 850x7 | 722 | OH 32/850 H | HM 31/850 | MS 31/850 | HMV 170 E | |
3780/3730轴承 1307E轴承 7307DF轴承 C3130K轴承 NJ2318ECM轴承 HR60KBE042+L轴承 71904AC轴承 B7208-E-T-P4S轴承 6232-Z轴承 7214AC/DF轴承 A2047/A2126轴承 22219ESK.TVPB轴承 B7022-C-T-P4S轴承 6818V轴承 5212AN轴承 231/560-K-MB+H31/560轴承 1316轴承 E32209J轴承 L770849D/L770810轴承 C30/670M轴承