
SKF OH32/710H轴承工业配套用户请注意:批量采购SKF OH32/710H轴承,请至少提前一周与我们联系,长期批量采购请提供年度采购计划,我们将十分感谢您的预见性,我们将提供极为优惠的价格以保障您的权益。
型号:OH32/710H
品牌:SKF
系列:紧定套
【
手机版 OH32/710H轴承
点击量
更新日期:2021/12/28
】
电话:020-36026999 传真:020-36705678 服务热线:18924187999 邮箱:sales@gzbearing.cn
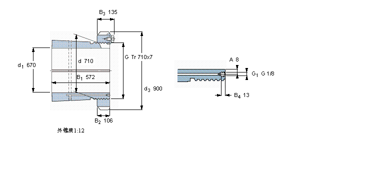
| 紧定套 | ||||||||||
|
|
||||||||||
| 尺寸 | 体积 | 型号 | ||||||||
| 紧定轴套带螺母 | 锁定螺母 | 锁定装置 | 适宜的液压 | |||||||
| d1 | d | d3 | B1 | G | 和锁紧装置 | 螺母 | ||||
|
|
||||||||||
| mm | kg | - | ||||||||
|
|
||||||||||
| 670 | 710 | 900 | 572 | Tr 710x7 | 459 | OH 32/710 H | HM 31/710 | MS 31/710 | HMV 142 E | |
HR30311J轴承 EGB0808-E50轴承 7317BECCM轴承 NKS50轴承 4T-HM804849/HM804810轴承 FNL510B轴承 NNF5048ADA-2LSV轴承 6806Z轴承 NU1092轴承 HJ328轴承 3483/3420-B轴承 RABRB30/72-FA106轴承 32311-A轴承 NU2319R轴承 2×7206BEGBP轴承 HM803146/110/Q轴承 PCFTR12轴承 555/553X轴承 H3144轴承 KR80-PP轴承