
订购SKF OH30/950HE轴承,请随时与我们联系,我们将根据汇率的波动为您提供实时准确的价格,确保以最优惠的价格为您提供优质的SKF OH30/950HE轴承。
型号:OH30/950HE
品牌:SKF
系列:紧定套
【
手机版 OH30/950HE轴承
点击量
更新日期:2021/12/28
】
电话:020-36026999 传真:020-36705678 服务热线:18924187999 邮箱:sales@gzbearing.cn
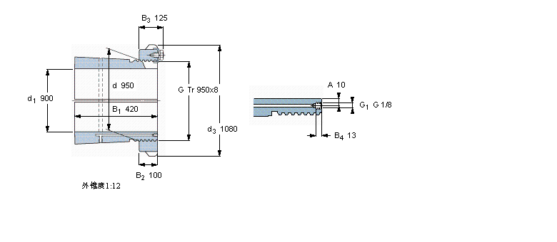
| 紧定套 | ||||||||||
|
|
||||||||||
| 尺寸 | 体积 | 型号 | ||||||||
| 紧定轴套带螺母 | 锁定螺母 | 锁定装置 | 适宜的液压 | |||||||
| d1 | d | d3 | B1 | G | 和锁紧装置 | 螺母 | ||||
|
|
||||||||||
| mm | kg | - | ||||||||
|
|
||||||||||
| 900 | 950 | 1080 | 420 | Tr 950x8 | 424 | OH 30/950 HE | HME 30/950 | MS 30/950 | HMV 190 E | |
7034AC/DF轴承 NU2213轴承 7301CDF轴承 OH32/560H轴承 LL562749/LL562710轴承 CF30UUR轴承 7309AC/DF轴承 6220-RS轴承 22210EW33轴承 7324B/DB轴承 QJ310MPA轴承 23048RHAK+H3048轴承 LM814845/LM814810轴承 NUP414M轴承 SN3126轴承 81117TN轴承 511/800F轴承 23334轴承 29376轴承 SDAF22338轴承