
鼎力晟业是SKF进口轴承代理商,不仅为工业配套用户提供SKF OH30/710H轴承,在维修市场也提供足够的支持,是SKF轴承在国内的优质经销商之一,购买SKF OH30/710H轴承,鼎力晟业是您放心的选择。
型号:OH30/710H
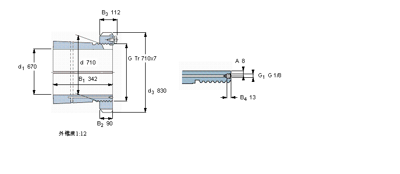
品牌:SKF
系列:紧定套
【
手机版 OH30/710H轴承
点击量
更新日期:2021/12/28
】
电话:020-36026999 传真:020-36705678 服务热线:18924187999 邮箱:sales@gzbearing.cn
| 紧定套 | ||||||||||
|
|
||||||||||
| 尺寸 | 体积 | 型号 | ||||||||
| 紧定轴套带螺母 | 锁定螺母 | 锁定装置 | 适宜的液压 | |||||||
| d1 | d | d3 | B1 | G | 和锁紧装置 | 螺母 | ||||
|
|
||||||||||
| mm | kg | - | ||||||||
|
|
||||||||||
| 670 | 710 | 830 | 342 | Tr 710x7 | 228 | OH 30/710 H | HM 30/710 | MS 30/710 | HMV 142 E | |
53324-MP+U324轴承 NCF3040CV轴承 24130-E1轴承 6019-2RSR轴承 SL182922轴承 7218C/DB轴承 7321B.TVP轴承 PBY15轴承 BS2-2212-2CSK/VT143轴承 TME65-214轴承 7913A5DB轴承 E-4R15204轴承 GAL50-DO-2RS轴承 W6300-2RS1轴承 NUP221E轴承 C3044K轴承 7211BDT轴承 TAFI102216轴承 2309K+H2309X轴承 NU2236E轴承