
SKF NU314ECML轴承工业配套用户请注意:批量采购SKF NU314ECML轴承,请至少提前一周与我们联系,长期批量采购请提供年度采购计划,我们将十分感谢您的预见性,我们将提供极为优惠的价格以保障您的权益。
型号:NU314ECML
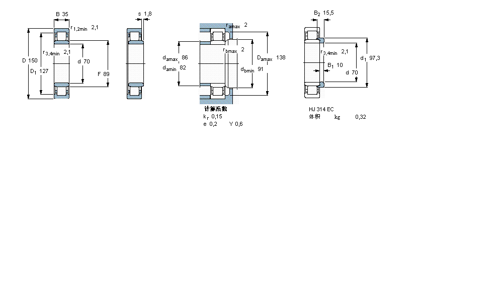
品牌:SKF
内径:70
外径:150
厚度:35
系列:圆柱滚子轴承, 单列, NU 设计
【
手机版 NU314ECML轴承
点击量
更新日期:2021/12/28
】
电话:020-36026999 传真:020-36705678 服务热线:18924187999 邮箱:sales@gzbearing.cn
| 圆柱滚子轴承, 单列, NU 设计 | ||||||||||||
| 公差 , 参见文字 | ||||||||||||
| 径向内部间隙, 圆柱型内孔 , 圆锥型内孔, 无密封件 , 参见文字 | ||||||||||||
| 推荐配合 | ||||||||||||
| 轴和轴承座公差 | ||||||||||||
|
|
||||||||||||
| 主要数据尺寸 | 基本负荷额定值 | 疲劳负荷限值 | 额定速度 | 体积 | 型号 | 适宜的斜挡圈 | ||||||
| 动态 | 静态 | 参照速度 | 限制速度 | 型号 | ||||||||
| d | D | B | C | C0 | Pu | * - SKF Explorer 轴承 | ||||||
|
|
||||||||||||
| mm | kN | kN | r/min | kg | - | - | ||||||
|
|
||||||||||||
| 70 | 150 | 35 | 236 | 228 | 29 | 4800 | 8500 | 2,75 | NU 314 ECML * | HJ 314 EC | ||