
作为传统的进口轴承代理商,鼎力晟业以广州为基地,全方位展开与SKF公司的合作,为本地SKF NU313ECJ轴承提供强大的货源支持,并迅速推广到全国各地,经过多年的努力,NU313ECJ轴承已成为我们的主导产品之一。
型号:NU313ECJ
品牌:SKF
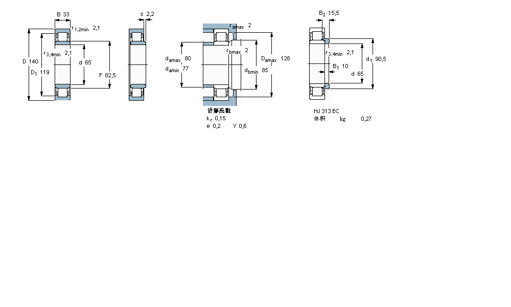
内径:65
外径:140
厚度:33
系列:圆柱滚子轴承, 单列, NU 设计
【
手机版 NU313ECJ轴承
点击量
更新日期:2021/12/28
】
电话:020-36026999 传真:020-36705678 服务热线:18924187999 邮箱:sales@gzbearing.cn
| 圆柱滚子轴承, 单列, NU 设计 | ||||||||||||
| 公差 , 参见文字 | ||||||||||||
| 径向内部间隙, 圆柱型内孔 , 圆锥型内孔, 无密封件 , 参见文字 | ||||||||||||
| 推荐配合 | ||||||||||||
| 轴和轴承座公差 | ||||||||||||
|
|
||||||||||||
| 主要数据尺寸 | 基本负荷额定值 | 疲劳负荷限值 | 额定速度 | 体积 | 型号 | 适宜的斜挡圈 | ||||||
| 动态 | 静态 | 参照速度 | 限制速度 | 型号 | ||||||||
| d | D | B | C | C0 | Pu | * - SKF Explorer 轴承 | ||||||
|
|
||||||||||||
| mm | kN | kN | r/min | kg | - | - | ||||||
|
|
||||||||||||
| 65 | 140 | 33 | 212 | 196 | 25,5 | 5300 | 6000 | 2,28 | NU 313 ECJ * | HJ 313 EC | ||