
NU309ECM轴承是SKF公司同时面向工业配套和维修市场的产品,鼎力晟业同时代理此两项业务,不仅为批量采购的用户提供优惠的SKF NU309ECM轴承,同时也为零散采购用户提供价格优惠的及时供货服务。
型号:NU309ECM
品牌:SKF
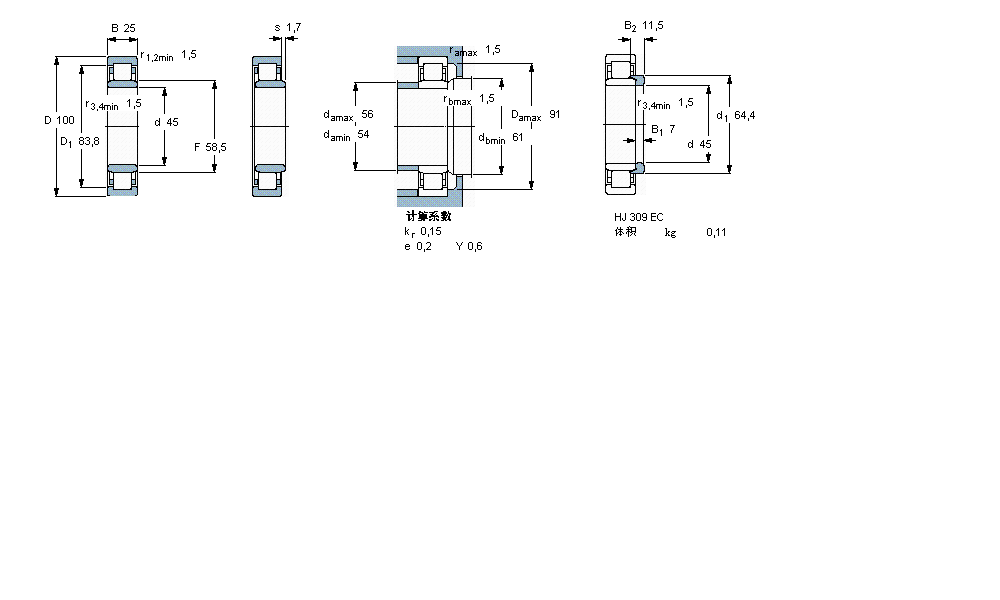
内径:45
外径:100
厚度:25
系列:圆柱滚子轴承, 单列, NU 设计
【
手机版 NU309ECM轴承
点击量
更新日期:2021/12/28
】
电话:020-36026999 传真:020-36705678 服务热线:18924187999 邮箱:sales@gzbearing.cn
| 圆柱滚子轴承, 单列, NU 设计 | ||||||||||||
| 公差 , 参见文字 | ||||||||||||
| 径向内部间隙, 圆柱型内孔 , 圆锥型内孔, 无密封件 , 参见文字 | ||||||||||||
| 推荐配合 | ||||||||||||
| 轴和轴承座公差 | ||||||||||||
|
|
||||||||||||
| 主要数据尺寸 | 基本负荷额定值 | 疲劳负荷限值 | 额定速度 | 体积 | 型号 | 适宜的斜挡圈 | ||||||
| 动态 | 静态 | 参照速度 | 限制速度 | 型号 | ||||||||
| d | D | B | C | C0 | Pu | * - SKF Explorer 轴承 | ||||||
|
|
||||||||||||
| mm | kN | kN | r/min | kg | - | - | ||||||
|
|
||||||||||||
| 45 | 100 | 25 | 112 | 100 | 12,9 | 7500 | 8500 | 1,08 | NU 309 ECM * | HJ 309 EC | ||
GRA50轴承 GEG100ES轴承 71908C/DB轴承 5201A-2RS1TN9轴承 25572/25526轴承 71913DB/P7轴承 51102轴承 6305-RZ轴承 SYFJ20TF轴承 67320轴承 23330-A-MA-T41A轴承 560-S/552A轴承 63/32-ZN轴承 7308B轴承 7216A5DF轴承 HJ326轴承 7032CD轴承 23128RHK+H3128轴承 7014C/DF轴承 GE40-DO-2RS轴承