
SKF NU260MA轴承工业配套用户请注意:批量采购SKF NU260MA轴承,请至少提前一周与我们联系,长期批量采购请提供年度采购计划,我们将十分感谢您的预见性,我们将提供极为优惠的价格以保障您的权益。
型号:NU260MA
品牌:SKF
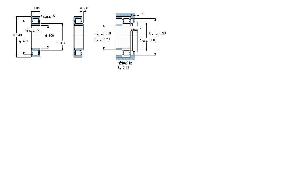
内径:300
外径:540
厚度:85
系列:圆柱滚子轴承, 单列, NU 设计
【
手机版 NU260MA轴承
点击量
更新日期:2021/12/28
】
电话:020-36026999 传真:020-36705678 服务热线:18924187999 邮箱:sales@gzbearing.cn
| 圆柱滚子轴承, 单列, NU 设计 | ||||||||||||
| 公差 , 参见文字 | ||||||||||||
| 径向内部间隙, 圆柱型内孔 , 圆锥型内孔, 无密封件 , 参见文字 | ||||||||||||
| 推荐配合 | ||||||||||||
| 轴和轴承座公差 | ||||||||||||
|
|
||||||||||||
| 主要数据尺寸 | 基本负荷额定值 | 疲劳负荷限值 | 额定速度 | 体积 | 型号 | 适宜的斜挡圈 | ||||||
| 动态 | 静态 | 参照速度 | 限制速度 | 型号 | ||||||||
| d | D | B | C | C0 | Pu | |||||||
|
|
||||||||||||
| mm | kN | kN | r/min | kg | - | - | ||||||
|
|
||||||||||||
| 300 | 540 | 85 | 1420 | 2120 | 183 | 1300 | 1800 | 89,5 | NU 260 MA | - | ||
6200-RS1轴承 FWF-172317轴承 23224EX1K轴承 LR20x25x16.5轴承 53209轴承 7011ACD/DT轴承 NJ2220E轴承 NJ420+HJ420轴承 22312B轴承 6205-C轴承 BT4B332997/HA1轴承 NU219ECML轴承 IR25X30X32轴承 HCS7011-C-T-P4S轴承 SAL25C轴承 7903A5DT轴承 NU1032-M1轴承 RPNA40/55轴承 305609A轴承 7008AC轴承