
鼎力晟业是SKF进口轴承代理,销售SKF NU240ECM轴承,不仅具备价格优势,而且在供货及时性、供货能力方面具有比较优势,能在最短的时间内为用户提供原装进口的SKF NU240ECM轴承。
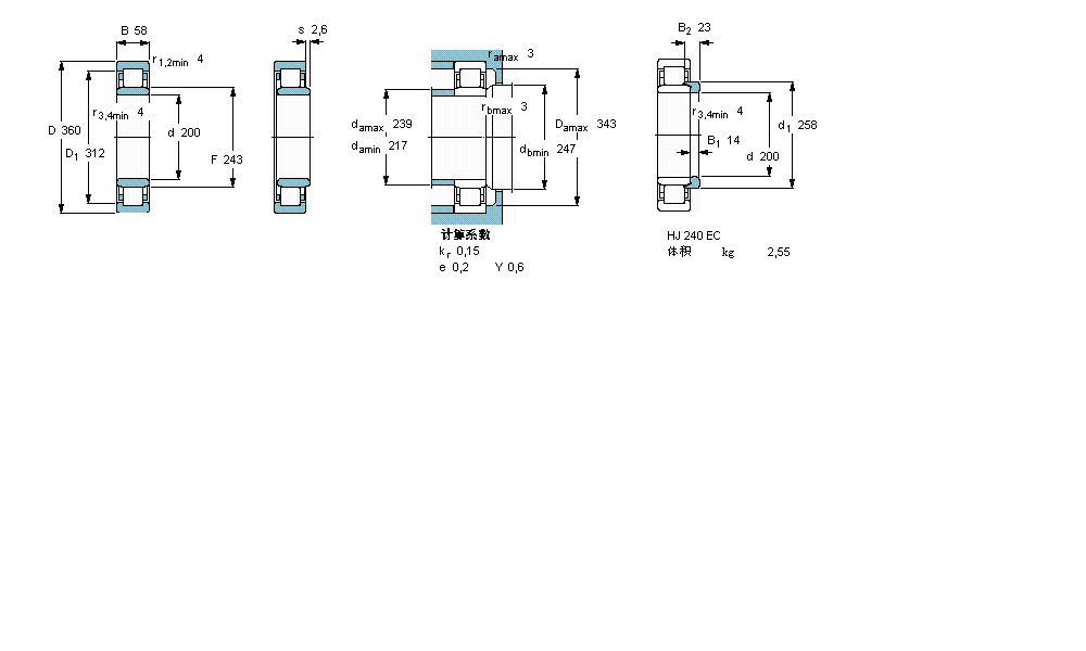
型号:NU240ECM
品牌:SKF
内径:200
外径:360
厚度:58
系列:圆柱滚子轴承, 单列, NU 设计
【
手机版 NU240ECM轴承
点击量
更新日期:2021/12/28
】
电话:020-36026999 传真:020-36705678 服务热线:18924187999 邮箱:sales@gzbearing.cn
| 圆柱滚子轴承, 单列, NU 设计 | ||||||||||||
| 公差 , 参见文字 | ||||||||||||
| 径向内部间隙, 圆柱型内孔 , 圆锥型内孔, 无密封件 , 参见文字 | ||||||||||||
| 推荐配合 | ||||||||||||
| 轴和轴承座公差 | ||||||||||||
|
|
||||||||||||
| 主要数据尺寸 | 基本负荷额定值 | 疲劳负荷限值 | 额定速度 | 体积 | 型号 | 适宜的斜挡圈 | ||||||
| 动态 | 静态 | 参照速度 | 限制速度 | 型号 | ||||||||
| d | D | B | C | C0 | Pu | * - SKF Explorer 轴承 | ||||||
|
|
||||||||||||
| mm | kN | kN | r/min | kg | - | - | ||||||
|
|
||||||||||||
| 200 | 360 | 58 | 850 | 1020 | 100 | 1900 | 2200 | 28,5 | NU 240 ECM * | HJ 240 EC | ||
RCJTY12轴承 BS2B243256轴承 CSXG180轴承 3204A-RS1轴承 71432/71750轴承 F625轴承 NKJ70/25A轴承 54205轴承 SI70TXE-2LS轴承 B7010C.O轴承 51136X轴承 K75X81X30轴承 POSB12轴承 22214HK+H314X轴承 DL65轴承 K30×35×13轴承 624ZZ轴承 SCE116轴承 EGB1415-E40-B轴承 7301A轴承