
SKF进口轴承代理鼎力晟业为用户提供高品质的NU2310ECML轴承,无论是工业配套还是维修市场,用户都可以在这里找到货期最短的SKF NU2310ECML轴承,确保您的不间断生产。
型号:NU2310ECML
品牌:SKF
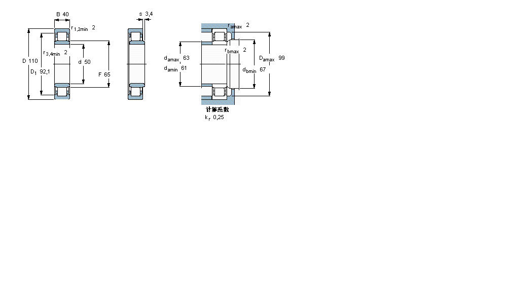
内径:50
外径:110
厚度:40
系列:圆柱滚子轴承, 单列, NU 设计
【
手机版 NU2310ECML轴承
点击量
更新日期:2021/12/28
】
电话:020-36026999 传真:020-36705678 服务热线:18924187999 邮箱:sales@gzbearing.cn
| 圆柱滚子轴承, 单列, NU 设计 | ||||||||||||
| 公差 , 参见文字 | ||||||||||||
| 径向内部间隙, 圆柱型内孔 , 圆锥型内孔, 无密封件 , 参见文字 | ||||||||||||
| 推荐配合 | ||||||||||||
| 轴和轴承座公差 | ||||||||||||
|
|
||||||||||||
| 主要数据尺寸 | 基本负荷额定值 | 疲劳负荷限值 | 额定速度 | 体积 | 型号 | 适宜的斜挡圈 | ||||||
| 动态 | 静态 | 参照速度 | 限制速度 | 型号 | ||||||||
| d | D | B | C | C0 | Pu | * - SKF Explorer 轴承 | ||||||
|
|
||||||||||||
| mm | kN | kN | r/min | kg | - | - | ||||||
|
|
||||||||||||
| 50 | 110 | 40 | 186 | 186 | 24,5 | 6700 | 12000 | 2,00 | NU 2310 ECML * | - | ||
N316EC轴承 24132CK30轴承 562006M轴承 7005AC/DF轴承 GIL80-DO-2RS轴承 QJ216N2MA轴承 BT4B328349/HA1轴承 6913ZZ轴承 CR1000111轴承 AXK0515TN轴承 7026C/DB轴承 NJ304EC+HJ304EC轴承 6318-2Z轴承 NU2319EM轴承 BC4B320525轴承 L624549/L624514轴承 51204轴承 23172CAE4轴承 NU1044轴承 SCE108轴承