
NU230ECM轴承是SKF公司同时面向工业配套和维修市场的产品,鼎力晟业同时代理此两项业务,不仅为批量采购的用户提供优惠的SKF NU230ECM轴承,同时也为零散采购用户提供价格优惠的及时供货服务。
型号:NU230ECM
品牌:SKF
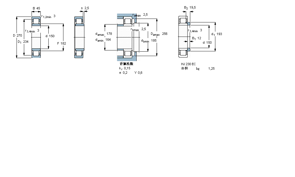
内径:150
外径:270
厚度:45
系列:圆柱滚子轴承, 单列, NU 设计
【
手机版 NU230ECM轴承
点击量
更新日期:2021/12/28
】
电话:020-36026999 传真:020-36705678 服务热线:18924187999 邮箱:sales@gzbearing.cn
| 圆柱滚子轴承, 单列, NU 设计 | ||||||||||||
| 公差 , 参见文字 | ||||||||||||
| 径向内部间隙, 圆柱型内孔 , 圆锥型内孔, 无密封件 , 参见文字 | ||||||||||||
| 推荐配合 | ||||||||||||
| 轴和轴承座公差 | ||||||||||||
|
|
||||||||||||
| 主要数据尺寸 | 基本负荷额定值 | 疲劳负荷限值 | 额定速度 | 体积 | 型号 | 适宜的斜挡圈 | ||||||
| 动态 | 静态 | 参照速度 | 限制速度 | 型号 | ||||||||
| d | D | B | C | C0 | Pu | * - SKF Explorer 轴承 | ||||||
|
|
||||||||||||
| mm | kN | kN | r/min | kg | - | - | ||||||
|
|
||||||||||||
| 150 | 270 | 45 | 510 | 600 | 64 | 2600 | 2800 | 10,6 | NU 230 ECM * | HJ 230 EC | ||
NN3014K轴承 NU2240EM轴承 EN201轴承 22232-E1-K轴承 GT42轴承 B7207E.O轴承 7007AC/DT轴承 22213-E1-K+H313轴承 H242649D/H242610轴承 61932轴承 N311轴承 NN4921轴承 PME40-N轴承 NUP252轴承 61816轴承 AS90120轴承 6010-2Z轴承 HM252343/HM252310CD轴承 AXW45轴承 FLBC2.5-8轴承