
SKF NU2309ECP轴承是鼎力晟业长期代理的产品,鼎力晟业与SKF公司具有长期的NU2309ECP轴承采购计划,可以为国内用户提供足够数量的SKF NU2309ECP轴承,让您的工厂无忧运转。
型号:NU2309ECP
品牌:SKF
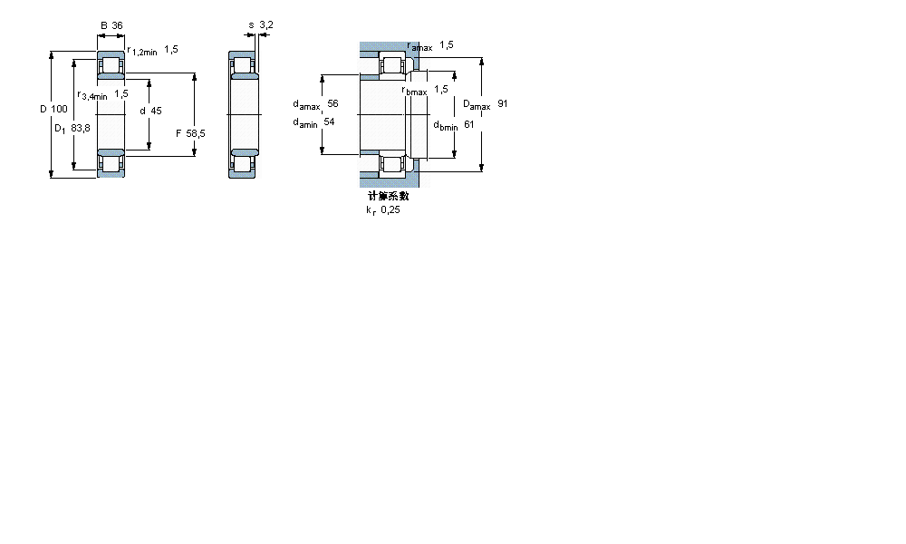
内径:45
外径:100
厚度:36
系列:圆柱滚子轴承, 单列, NU 设计
【
手机版 NU2309ECP轴承
点击量
更新日期:2021/12/28
】
电话:020-36026999 传真:020-36705678 服务热线:18924187999 邮箱:sales@gzbearing.cn
| 圆柱滚子轴承, 单列, NU 设计 | ||||||||||||
| 公差 , 参见文字 | ||||||||||||
| 径向内部间隙, 圆柱型内孔 , 圆锥型内孔, 无密封件 , 参见文字 | ||||||||||||
| 推荐配合 | ||||||||||||
| 轴和轴承座公差 | ||||||||||||
|
|
||||||||||||
| 主要数据尺寸 | 基本负荷额定值 | 疲劳负荷限值 | 额定速度 | 体积 | 型号 | 适宜的斜挡圈 | ||||||
| 动态 | 静态 | 参照速度 | 限制速度 | 型号 | ||||||||
| d | D | B | C | C0 | Pu | * - SKF Explorer 轴承 | ||||||
|
|
||||||||||||
| mm | kN | kN | r/min | kg | - | - | ||||||
|
|
||||||||||||
| 45 | 100 | 36 | 160 | 153 | 20 | 7500 | 8500 | 1,30 | NU 2309 ECP * | - | ||