
SKF NU2214ECML轴承工业配套用户请注意:批量采购SKF NU2214ECML轴承,请至少提前一周与我们联系,长期批量采购请提供年度采购计划,我们将十分感谢您的预见性,我们将提供极为优惠的价格以保障您的权益。
型号:NU2214ECML
品牌:SKF
内径:70
外径:125
厚度:31
系列:圆柱滚子轴承, 单列, NU 设计
【
手机版 NU2214ECML轴承
点击量
更新日期:2021/12/28
】
电话:020-36026999 传真:020-36705678 服务热线:18924187999 邮箱:sales@gzbearing.cn
| 圆柱滚子轴承, 单列, NU 设计 | ||||||||||||
| 公差 , 参见文字 | ||||||||||||
| 径向内部间隙, 圆柱型内孔 , 圆锥型内孔, 无密封件 , 参见文字 | ||||||||||||
| 推荐配合 | ||||||||||||
| 轴和轴承座公差 | ||||||||||||
|
|
||||||||||||
| 主要数据尺寸 | 基本负荷额定值 | 疲劳负荷限值 | 额定速度 | 体积 | 型号 | 适宜的斜挡圈 | ||||||
| 动态 | 静态 | 参照速度 | 限制速度 | 型号 | ||||||||
| d | D | B | C | C0 | Pu | * - SKF Explorer 轴承 | ||||||
|
|
||||||||||||
| mm | kN | kN | r/min | kg | - | - | ||||||
|
|
||||||||||||
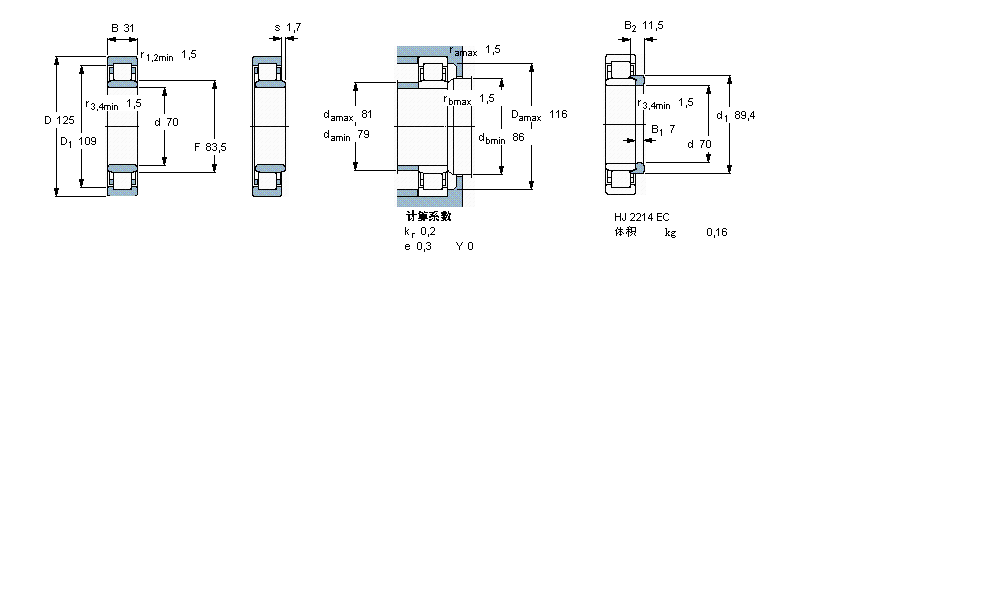
| 70 | 125 | 31 | 180 | 193 | 25,5 | 6000 | 10000 | 1,55 | NU 2214 ECML * | HJ 2214 EC | ||
635-RZ轴承 GT18轴承 HC7018-C-T-P4S轴承 6815ZZ轴承 RNA4876轴承 CR30UU轴承 33122/DF轴承 SCH1010轴承 555-S/552-B轴承 7214B/DF轴承 2206K+H306X轴承 24134CE4轴承 23232RHAKW33轴承 JW5549/JW5510轴承 NU1021轴承 7214AC/DT轴承 HC7004-C-T-P4S轴承 4311-B-TVH轴承 7313BDF轴承 23030CCK/W33+H3030轴承