
SKF进口轴承代理鼎力晟业为用户提供高品质的NU211ECM轴承,无论是工业配套还是维修市场,用户都可以在这里找到货期最短的SKF NU211ECM轴承,确保您的不间断生产。
型号:NU211ECM
品牌:SKF
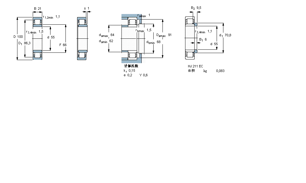
内径:55
外径:100
厚度:21
系列:圆柱滚子轴承, 单列, NU 设计
【
手机版 NU211ECM轴承
点击量
更新日期:2021/12/28
】
电话:020-36026999 传真:020-36705678 服务热线:18924187999 邮箱:sales@gzbearing.cn
| 圆柱滚子轴承, 单列, NU 设计 | ||||||||||||
| 公差 , 参见文字 | ||||||||||||
| 径向内部间隙, 圆柱型内孔 , 圆锥型内孔, 无密封件 , 参见文字 | ||||||||||||
| 推荐配合 | ||||||||||||
| 轴和轴承座公差 | ||||||||||||
|
|
||||||||||||
| 主要数据尺寸 | 基本负荷额定值 | 疲劳负荷限值 | 额定速度 | 体积 | 型号 | 适宜的斜挡圈 | ||||||
| 动态 | 静态 | 参照速度 | 限制速度 | 型号 | ||||||||
| d | D | B | C | C0 | Pu | * - SKF Explorer 轴承 | ||||||
|
|
||||||||||||
| mm | kN | kN | r/min | kg | - | - | ||||||
|
|
||||||||||||
| 55 | 100 | 21 | 96,5 | 95 | 12,2 | 7500 | 8000 | 0,72 | NU 211 ECM * | HJ 211 EC | ||
S6010轴承 6210-Z轴承 NNUD6072MA/P64轴承 7308DF轴承 7009C/DB轴承 RNA4910-RSR轴承 NX30-Z轴承 YB1212轴承 32020X/Q轴承 LR605-2RSR轴承 NJ316+HJ316轴承 NNU4080KF/W33轴承 2578/2524YD轴承 HSS7012E.T.P4S.UL轴承 2582/2523-B轴承 627-2RZ轴承 61903N轴承 QJ248-N2-MPA轴承 24028B轴承 HCB7212-E-T-P4S轴承