
SKF NU1032M轴承是鼎力晟业长期代理的产品,鼎力晟业与SKF公司具有长期的NU1032M轴承采购计划,可以为国内用户提供足够数量的SKF NU1032M轴承,让您的工厂无忧运转。
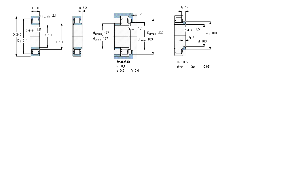
型号:NU1032M
品牌:SKF
内径:160
外径:240
厚度:38
系列:圆柱滚子轴承, 单列, NU 设计
【
手机版 NU1032M轴承
点击量
更新日期:2021/12/28
】
电话:020-36026999 传真:020-36705678 服务热线:18924187999 邮箱:sales@gzbearing.cn
| 圆柱滚子轴承, 单列, NU 设计 | ||||||||||||
| 公差 , 参见文字 | ||||||||||||
| 径向内部间隙, 圆柱型内孔 , 圆锥型内孔, 无密封件 , 参见文字 | ||||||||||||
| 推荐配合 | ||||||||||||
| 轴和轴承座公差 | ||||||||||||
|
|
||||||||||||
| 主要数据尺寸 | 基本负荷额定值 | 疲劳负荷限值 | 额定速度 | 体积 | 型号 | 适宜的斜挡圈 | ||||||
| 动态 | 静态 | 参照速度 | 限制速度 | 型号 | ||||||||
| d | D | B | C | C0 | Pu | |||||||
|
|
||||||||||||
| mm | kN | kN | r/min | kg | - | - | ||||||
|
|
||||||||||||
| 160 | 240 | 38 | 229 | 325 | 35,5 | 3000 | 3000 | 5,95 | NU 1032 M | HJ 1032 | ||
7330B.T轴承 33281/462轴承 32944轴承 SIR25ES轴承 NA4928轴承 NNU4964BK/W33轴承 CF-SFU-6B轴承 K40×46×17轴承 42362/42587轴承 PRC14轴承 5203轴承 BCE66轴承 N320ECP轴承 31316DJR轴承 3205A-Z轴承 NUP306EW轴承 IR25X30X18轴承 7010C/DB轴承 SL014868轴承 NJ2332EM轴承