
鼎力晟业是SKF进口轴承代理商,不仅为工业配套用户提供SKF NU1024M轴承,在维修市场也提供足够的支持,是SKF轴承在国内的优质经销商之一,购买SKF NU1024M轴承,鼎力晟业是您放心的选择。
型号:NU1024M
品牌:SKF
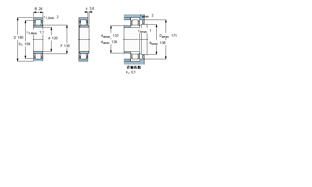
内径:120
外径:180
厚度:28
系列:圆柱滚子轴承, 单列, NU 设计
【
手机版 NU1024M轴承
点击量
更新日期:2021/12/28
】
电话:020-36026999 传真:020-36705678 服务热线:18924187999 邮箱:sales@gzbearing.cn
| 圆柱滚子轴承, 单列, NU 设计 | ||||||||||||
| 公差 , 参见文字 | ||||||||||||
| 径向内部间隙, 圆柱型内孔 , 圆锥型内孔, 无密封件 , 参见文字 | ||||||||||||
| 推荐配合 | ||||||||||||
| 轴和轴承座公差 | ||||||||||||
|
|
||||||||||||
| 主要数据尺寸 | 基本负荷额定值 | 疲劳负荷限值 | 额定速度 | 体积 | 型号 | 适宜的斜挡圈 | ||||||
| 动态 | 静态 | 参照速度 | 限制速度 | 型号 | ||||||||
| d | D | B | C | C0 | Pu | |||||||
|
|
||||||||||||
| mm | kN | kN | r/min | kg | - | - | ||||||
|
|
||||||||||||
| 120 | 180 | 28 | 134 | 183 | 20,8 | 4000 | 4000 | 2,45 | NU 1024 M | - | ||
1322KM+H322轴承 32232-A轴承 NU303-E-TVP2轴承 AS7095轴承 SNL515TURU轴承 32056-X轴承 NUP2319轴承 53314+U314轴承 NATR30-PP轴承 32308A+T2FD040轴承 C31/750KMB+OH31/750HE轴承 NJ2308EM轴承 779/773D轴承 7314BEGAF轴承 L102849/L102810-B轴承 NN3032K/W33轴承 NKIS25轴承 32309轴承 S6000.2RSR.W203B轴承 22348CCK/W33轴承