
鼎力晟业是SKF进口轴承代理商,不仅为工业配套用户提供SKF NNCL4938CV轴承,在维修市场也提供足够的支持,是SKF轴承在国内的优质经销商之一,购买SKF NNCL4938CV轴承,鼎力晟业是您放心的选择。
型号:NNCL4938CV
品牌:SKF
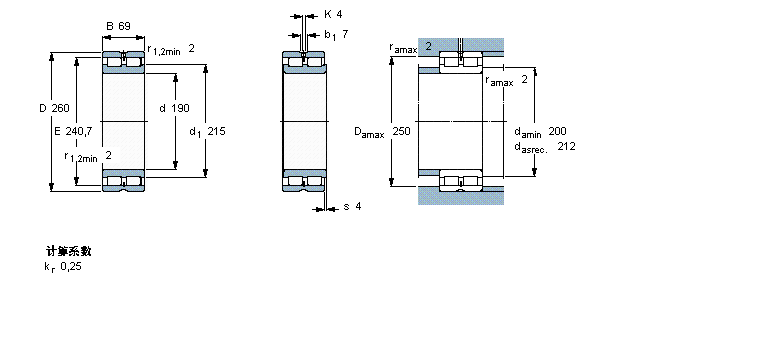
内径:190
外径:260
厚度:69
系列:圆柱滚子轴承, 双列满装滚子, 无密封件, 没有载荷支承能力
【
手机版 NNCL4938CV轴承
点击量
更新日期:2021/12/28
】
电话:020-36026999 传真:020-36705678 服务热线:18924187999 邮箱:sales@gzbearing.cn
| 圆柱滚子轴承, 双列满装滚子, 无密封件, 没有载荷支承能力 | ||||||||||
| 公差 , 参见文字 | ||||||||||
| 径向内部游隙 , 参见文字 | ||||||||||
| 推荐配合 | ||||||||||
| 轴和轴承座公差 | ||||||||||
|
|
||||||||||
| 主要数据尺寸 | 基本负荷额定值 | 疲劳负荷限值 | 额定速度 | 体积 | 型号 | |||||
| 动态 | 静态 | 参照速度 | 限制速度 | |||||||
| d | D | B | C | C0 | Pu | |||||
|
|
||||||||||
| mm | kN | kN | r/min | kg | - | |||||
|
|
||||||||||
| 190 | 260 | 69 | 605 | 1290 | 132 | 1100 | 1400 | 10,9 | NNCL 4938 CV | |