
鼎力晟业是SKF进口轴承代理,销售SKF NJ312ECML轴承,不仅具备价格优势,而且在供货及时性、供货能力方面具有比较优势,能在最短的时间内为用户提供原装进口的SKF NJ312ECML轴承。
型号:NJ312ECML
品牌:SKF
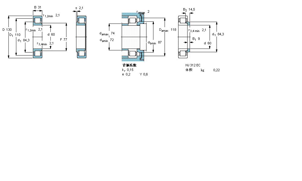
内径:60
外径:130
厚度:31
系列:圆柱滚子轴承, 单列, NJ 设计
【
手机版 NJ312ECML轴承
点击量
更新日期:2021/12/28
】
电话:020-36026999 传真:020-36705678 服务热线:18924187999 邮箱:sales@gzbearing.cn
| 圆柱滚子轴承, 单列, NJ 设计 | ||||||||||||
| 公差 , 参见文字 | ||||||||||||
| 径向内部间隙, 圆柱型内孔 , 圆锥型内孔, 无密封件 , 参见文字 | ||||||||||||
| 推荐配合 | ||||||||||||
| 轴和轴承座公差 | ||||||||||||
|
|
||||||||||||
| 主要数据尺寸 | 基本负荷额定值 | 疲劳负荷限值 | 额定速度 | 体积 | 型号 | 适宜的斜挡圈 | ||||||
| 动态 | 静态 | 参照速度 | 限制速度 | 型号 | ||||||||
| d | D | B | C | C0 | Pu | * - SKF Explorer 轴承 | ||||||
|
|
||||||||||||
| mm | kN | kN | r/min | kg | - | - | ||||||
|
|
||||||||||||
| 60 | 130 | 31 | 173 | 160 | 20,8 | 5600 | 10000 | 2,00 | NJ 312 ECML * | HJ 312 EC | ||
22236BKD1+H3136轴承 NUP232E轴承 6201DU轴承 NJ210轴承 NK40/30轴承 CSCB045轴承 4T-47678/47620轴承 399A/3920轴承 24028-2CS5/VT143轴承 FT25轴承 33020JR轴承 NU2334轴承 234728-M-SP轴承 BC4B457956VCE轴承 23338-A-MA-T41A轴承 32916JR轴承 NUP318轴承 22220EXK轴承 923轴承 61804-2Z轴承