
我们不仅提供SKF NJ218ECP轴承,还提供SKF品牌的其他品牌产品,以及SKF NJ218ECP轴承的替换型号,万千种型号,任您选择。
型号:NJ218ECP
品牌:SKF
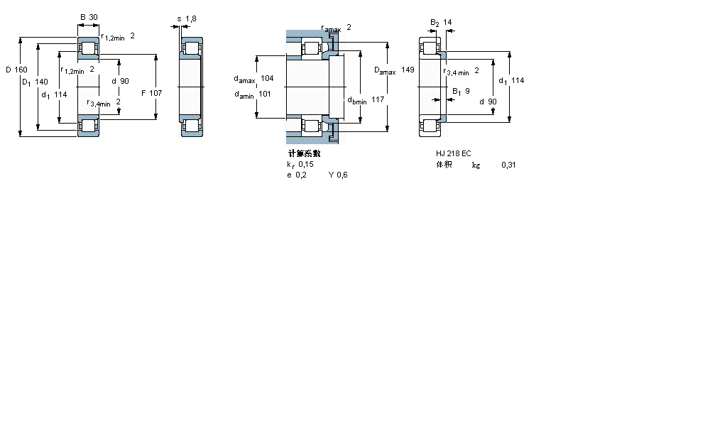
内径:90
外径:160
厚度:30
系列:圆柱滚子轴承, 单列, NJ 设计
【
手机版 NJ218ECP轴承
点击量
更新日期:2021/12/28
】
电话:020-36026999 传真:020-36705678 服务热线:18924187999 邮箱:sales@gzbearing.cn
| 圆柱滚子轴承, 单列, NJ 设计 | ||||||||||||
| 公差 , 参见文字 | ||||||||||||
| 径向内部间隙, 圆柱型内孔 , 圆锥型内孔, 无密封件 , 参见文字 | ||||||||||||
| 推荐配合 | ||||||||||||
| 轴和轴承座公差 | ||||||||||||
|
|
||||||||||||
| 主要数据尺寸 | 基本负荷额定值 | 疲劳负荷限值 | 额定速度 | 体积 | 型号 | 适宜的斜挡圈 | ||||||
| 动态 | 静态 | 参照速度 | 限制速度 | 型号 | ||||||||
| d | D | B | C | C0 | Pu | * - SKF Explorer 轴承 | ||||||
|
|
||||||||||||
| mm | kN | kN | r/min | kg | - | - | ||||||
|
|
||||||||||||
| 90 | 160 | 30 | 208 | 220 | 27 | 4500 | 5000 | 2,40 | NJ 218 ECP * | HJ 218 EC | ||
BT4-8009G/HA1VA901轴承 608-RS轴承 H-LM11749/H-LM11710轴承 696Z轴承 61914-2RS轴承 CSCU045-2RS轴承 6008N轴承 22260CCK/W33轴承 5211E-2Z轴承 CF-FU1-8轴承 51334M轴承 661/654DC轴承 24134-E1-K30轴承 PCM707570M轴承 HK2820.2RS轴承 4T-HM89444/HM89410轴承 6316NSL轴承 N1006轴承 NCF18/850V轴承 22238B轴承