
鼎力晟业是SKF进口轴承代理,销售SKF N232ECM轴承,不仅具备价格优势,而且在供货及时性、供货能力方面具有比较优势,能在最短的时间内为用户提供原装进口的SKF N232ECM轴承。
型号:N232ECM
品牌:SKF
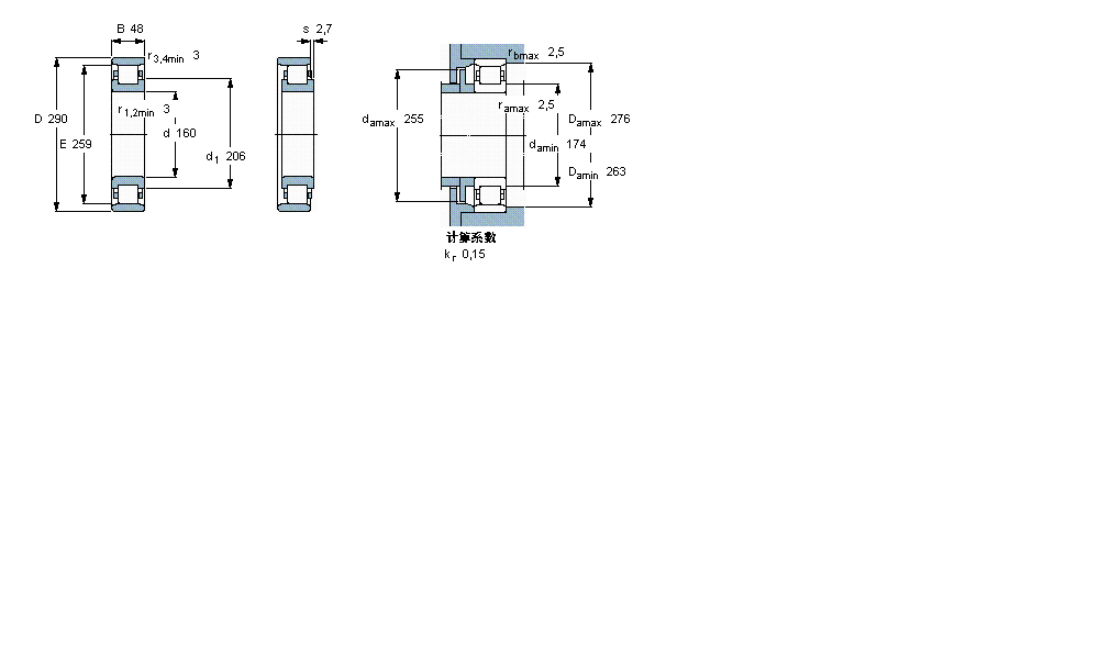
内径:160
外径:290
厚度:48
系列:圆柱滚子轴承, 单列, N 设计
【
手机版 N232ECM轴承
点击量
更新日期:2021/12/28
】
电话:020-36026999 传真:020-36705678 服务热线:18924187999 邮箱:sales@gzbearing.cn
| 圆柱滚子轴承, 单列, N 设计 | ||||||||||||
| 公差 , 参见文字 | ||||||||||||
| 径向内部间隙, 圆柱型内孔 , 圆锥型内孔, 无密封件 , 参见文字 | ||||||||||||
| 推荐配合 | ||||||||||||
| 轴和轴承座公差 | ||||||||||||
|
|
||||||||||||
| 主要数据尺寸 | 基本负荷额定值 | 疲劳负荷限值 | 额定速度 | 体积 | 型号 | 适宜的斜挡圈 | ||||||
| 动态 | 静态 | 参照速度 | 限制速度 | 型号 | ||||||||
| d | D | B | C | C0 | Pu | * - SKF Explorer 轴承 | ||||||
|
|
||||||||||||
| mm | kN | kN | r/min | kg | - | - | ||||||
|
|
||||||||||||
| 160 | 290 | 48 | 585 | 680 | 72 | 2400 | 2600 | 14,3 | N 232 ECM * | - | ||
7022C/DT轴承 423024轴承 HK2016轴承 SCE1210-PP轴承 6006NSE轴承 22248EW33K轴承 4T-HM807040/HM807010轴承 KT182420轴承 114FC81594A轴承 NCF2915CV轴承 CR18V轴承 NAFW304732轴承 ZARN5090-L-TV轴承 6868轴承 2×7311BEGAY轴承 6812LB轴承 ZKLN5090-2RS-PE轴承 6312-2Z轴承 K60X66X33-ZW轴承 N211-E-TVP2轴承