
鼎力晟业是SKF进口轴承代理,销售SKF 6310-2Z/VA228轴承,不仅具备价格优势,而且在供货及时性、供货能力方面具有比较优势,能在最短的时间内为用户提供原装进口的SKF 6310-2Z/VA228轴承。
型号:6310-2Z/VA228
品牌:SKF
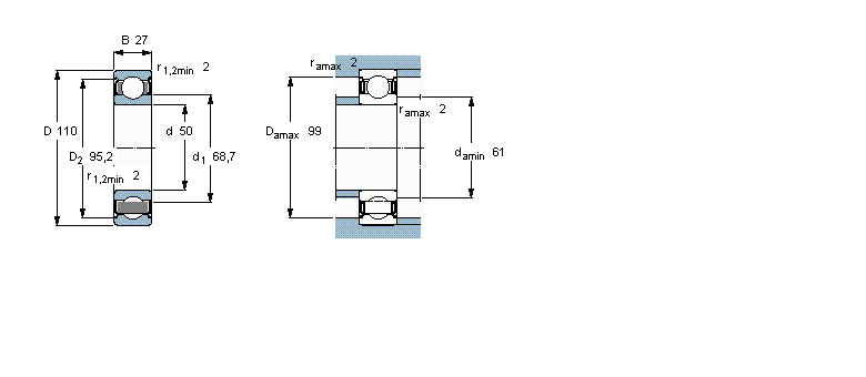
内径:50
外径:110
厚度:27
系列:深沟球轴承, 用于高温的深沟球轴承, 两面防尘罩
【
手机版 6310-2Z/VA228轴承
点击量
更新日期:2021/12/28
】
电话:020-36026999 传真:020-36705678 服务热线:18924187999 邮箱:sales@gzbearing.cn
| 深沟球轴承, 用于高温的深沟球轴承, 两面防尘罩 | ||||||||
| 公差 , 参见文字 | ||||||||
| 径向内部间隙, 参见文字 | ||||||||
| 推荐配合 | ||||||||
| 轴和轴承座公差 | ||||||||
|
|
||||||||
| 主要数据尺寸 | 基本负荷额定值 | 径向内部游隙 | 体积 | 型号 | ||||
| 静态 | ||||||||
| d | D | B | C0 | 最小 | 最大 | |||
|
|
||||||||
| mm | kN | μm | kg | - | ||||
|
|
||||||||
| 50 | 110 | 27 | 38 | 180 | 292 | 1,04 | 6310-2Z/VA228 | |